自考题库
首页
所有科目
自考历年真题
考试分类
关于本站
游客
账号设置
退出登录
注册
登录
出自:工学
故障代码指示的故障只和故障代码指示元件的本身及其线路系统和ECU本身有关,和其他的系统无关。
发电机的满载转速
单个普通螺栓承压承载力设计值
,式中
表示()。
多芯控制电缆最小允许弯曲半径为电缆外径的()倍。
A:5
B:6
C:10
D:15
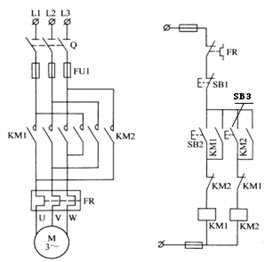
分析正、停、反转电路的工作原理
轴按所受载荷性质分类,只承受弯矩的称()轴;只承受扭矩称()轴;承受弯矩和扭矩称()轴。
大气环流
下列()属于化学腐蚀。
A:氧化反应
B:酸雨腐蚀
C:气体的腐蚀
D:非电解质腐蚀
库伦土压力理论假定墙后的填土是理想的散粒体。
施工准备阶段编制的实施性施工组织设计应包括什么内容?
在测量电压时,对蓄电池本身电压没有明确的要求,只要不是完全没电就行。
整体式车身严重碰撞时,会造成()的损坏。
A:结构件
B:装饰性部件
C:结构件与装饰性部件
通过室内击实试验得到哪两个指标?
汽车零件失效不仅是指完全丧失原定功能,而且还包含功能降低、有严重的损伤和隐患。
对于沉管摩擦桩,沉管深度的最终控制标准为( )。
A:以贯入度为准
B:以设计标高为准
C:设计标高为主,贯入度作参考
D:以贯入度为主,设计标高作参考
拉弯或压弯构件强度计算公式,当构件承受动荷载时,必须取1,其原因是()。
根据桩的密集程度,打桩顺序一般有()
A:逐一排打
B:自四周向中间打
C:自中间向四周打
D:分打
E:自两侧向中间打
根据碳在铸铁中的存在形成不同,铸铁可分为哪几类?
根据对Ps处理方式的不同,可把交流调速系统分成哪几类?并举例说明。
库伦土压力理论通常适用于()。
A:粘性土
B:无粘性土
C:各类土
河流的堆积作用
速度继电器()
A:定子与电机同轴连接
B:转子与电机同轴连接
C:触点放置于主电路
发电机定子单相接地故障有何危害?
边坡坡度=(),边坡系数=()。
发动机的有效转矩与曲轴角速度的乘积称之为()。
A:指示功率
B:有效功率
C:最大转矩
D:最大功率
一个零部件只可能存在一种失效模式或失效机理。
打磨工具配有不同的打磨垫,研磨中途底漆一般采用()。
A:硬磨垫
B:软磨垫
C:超软磨垫
D:耐高温磨垫
暴露水平评价通常
不包括
哪一项?()
A:主观不良反应发生率
B:临床症状和体症
C:效应生物标志
D:可感阈值
在pH=1的Bi3+、Pb2+离子浓度共存的体系中,可用()方法滴定Bi3+、而Pb2+不干扰。
电路原理图中所有开关及用电器均处于()的状态。
A:工作
B:不工作
C:没有特殊要求
首页
<上一页
248
249
250
251
252
下一页>
尾页