自考题库
首页
所有科目
自考历年真题
考试分类
关于本站
游客
账号设置
退出登录
注册
登录
出自:工学
台座的主要承力结构为()
A:台面
B:台墩
C:钢横梁
D:都是
在剪力墙结构计算中,当满足
、
时,可按()计算其内力。
转速负反馈调速系统在稳定运行过程中,转速反馈线突然断开,电动机的转速会()
A:升高
B:降低
C:不变
D:不定
汽车转向轮的横向侧滑量,用侧滑仪按标准规定的方法检测时,侧滑量值应不大于5m/km。
镇墩、支墩、伸缩节的作用是什么?
目前我国隧道锚喷支护的设计方法有()
A:工程类比法
B:理论计算法
C:现场监控法
D:专家论证法
库伦土压力理论假设墙后填土填土中的滑动破裂面是平面,且通过墙踵。
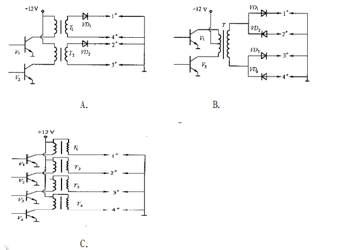
下图中,()为点火线圈分配式无分电器电子点火系统示意图。
A:A
B:B
C:C
钢性防水屋面的分割缝应设在()
A:屋面板支撑端
B:屋面转折处
C:防水层与突出屋面交接处
D:屋面板中部
E:任意位置
QD04型起动机工作时两蓄电池外于串联状态。
是推导理论上所能达到的最大击实曲线(即饱和度S
r
=100%的击实曲线)的表达式。(计算题)
操作跌落式熔丝注意事项?
人工挖孔桩不适合的范围是地下水位以上的()
A:粘性土
B:强风化岩
C:粉土
D:人工填土
有关屋面防水要求说法正确的有()
A:一般的建筑防水层合理使用年限为5年
B:二级屋面防水需两道防水设防
C:二级屋面防水合理使用年限为15年
D:三级屋面防水需两道防水设防
E:一级屋面防水合理使用年限为25年
整体式车身上可能会发生()。
A:上下弯曲
B:左右弯曲
C:断裂变形
D:菱形变形
()海上外堤不会影响传播航行。
A:混合式
B:透空式
C:浮式
D:压气式
时间继电器的选用原则
如果集成电路某端子电压不正常,或其表面温度远高于正常工作温度,就可认为是其损坏。()
现有的汽车维修计算机管理系统内的客户关系管理普遍较完整、细致而且功能强大,可完全视作()一个专业的客户关系管理系统。
A:等同于
B:不同于
C:类似
单项小修工时定额=基本工时+单项小修工时,或工时定额=基本工时+工时/单个实际维修(更换)的个数。()
水电站的工作阀门必须在动水中开启和开闭。
()不是水熔性原料,可用于配制生料釉。
A:碳酸锂
B:碳酸钾
C:碳酸钠
D:硼砂
内燃机车按传动装置分为电传动、液力传动内燃机车。()
直剪试验一般分为()剪、慢剪和()剪三种类型。
抗震等级为二级的框架结构,框架柱的剪力设计值
应如何确定?()
A:剪力设计值取考虑水平荷载组合的剪力设计值
B:
C:
D:
起动过程中,电磁开关内的()被短路。
A:保位线圈
B:吸拉线圈
C:保位线圈和吸拉线圈
网站搜索的命令是()。
A:title:或t:
B:site:、host:或url:
C:link:
使用催干剂可以改善施工条件。()
快干腻子干得快,适合大面积作业。()
下列矿物原料,含K2O、Na2O最少的矿物是()。
A:晶花岗岩
B:滑石
C:霞石
D:珍珠岩
首页
<上一页
224
225
226
227
228
下一页>
尾页