自考题库
首页
所有科目
自考历年真题
考试分类
关于本站
游客
账号设置
退出登录
注册
登录
出自:基础考试
元素的标准电极电势图如下:
在空气存在的条件下,下列离子在水溶液中最稳定的是:()
A:Cu
2+
B:Au
+
C:Fe
2+
D:Mn
2+
图示刚架中,若将作用于B处的水平力P沿其作用线移至C处,则A、D处的约束力:()
A:都不变
B:都改变
C:只有A处改变
D:只有D处改变
图示两根木杆连接结构,已知木材的许用切应力为[τ],许用挤压应力为[σ
bs
],则a与h的合理比值是:()
A:A
B:B
C:C
D:D
单位冲激信号δ(t)是()。
A:奇函数
B:偶函数
C:非奇非偶函数
D:奇异函数,无奇偶性
接缝中的Ω型止水带宜使()朝向迎水面,以便()
A:凹面,防止在水压力下凸面反转开裂
B:凸面,承受更大的水压力
C:凸面,防止杂物进入凹面
D:凹面,布置接缝垫板
某饱和土体,土粒比重G
s
=2.70,含水率(含水量)ω=30%,取水的重度γ
w
=10kN/m
3
,则该土的饱和重度为:()
A:19.4kN/m
3
B:20.2kN/m
3
C:20.8kN/m
3
D:21.2kN/m
3
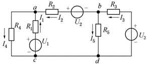
如图所示电路,欲求出电路中各支路的电流,根据基尔霍夫电流定律能列出的独立结点电流方程和根据基尔霍夫电压定律能列出的独立回路(取网孔为独立回路)电压方程的个数分别为()。
A:1个节点电流方程,4个回路电压方程
B:2个节点电流方程,2个回路电压方程
C:4个节点电流方程,1个回路电压方程
D:3个节点电流方程,2个回路电压方程
下列定积分中,哪一个等于零?()
A:A
B:B
C:C
D:D
乳化沥青形成的机理是()
A:冷态施工,节约能源
B:利于施工
C:节约沥青
D:保护环境,保障健康
下列哪些关于土的粘聚力的说法是正确的()
A:饱和正常固结粘土具有粘聚力
B:粘聚力越大,土的强度越高
C:粘聚力与围压的大小无关
D:粘聚力是土的抗剪强度包线在坐标纵轴上的截距
设计计算时,地震作用的大小与下列哪些因素有关?()Ⅰ.建筑物的质量Ⅱ.场地烈度Ⅲ.建筑物本身的动力特性Ⅳ.地震的持续时间
A:Ⅰ、Ⅲ、Ⅳ
B:Ⅰ、Ⅱ、Ⅳ
C:Ⅰ、Ⅱ、Ⅲ
D:Ⅰ、Ⅱ、Ⅲ、Ⅳ
一个土工合成材料试样的梯形撕裂强度是指试样在试验过程中测出的最大拉力。
图示结构(EI=常数)在均布荷载q作用下,A、B两点(假设A、B两点间距离忽略不计)的相对水平位移为()。
A:A
B:B
C:C
D:D
29号元素的核外电子分布式为:()
A:A
B:B
C:C
D:D
根据地基的复杂程度,可按下列规定分为三个地基等级。符合下列条件之一者()为一级地基(复杂地基)。
A:岩土种类多,很不均匀;性质变化大,需特殊处理地基
B:严重湿陷、膨胀、盐渍、污染的特殊性岩土地基
C:情况复杂,需作专门处理的岩土地基
D:分布较均匀,但厚度很大的软土地基
E:岩土种类较多,不均匀,性质变化较大
固结试验成果整理中利用e-lgp曲线得到的指标有()。
A:压缩系数
B:压缩指数
C:回弹指数
D:先期固结压力
图示结构杆①的轴力为:()
A:0
B:-P
C:P
D:-P/2
26号元素原子的价层电子构型为()。
A:A
B:B
C:C
D:D
在电动机的继电接触控制电路中,实现零压保护的电器是()。
A:停止按钮
B:热继电器
C:时间继电器
D:交流接触器
一般认为原生湿陷性黄土的地质成因是()
A:冲积
B:洪积
C:冰水成积
D:风积
造成管涌主要原因是()。
A:土体内存在管状通道
B:土体具有很强原透水性
C:水头差形成的水力梯度超过临界梯度
D:地下水产生了自下而上的流动
一台三相异步电动机,定子绕组联成星形接于U
L
=380V的电源上,已知电源输入的功率为3.2kW,B相电流为6.1A,电动机每相的等效电阻R和等效感抗X
L
分别为()。
A:17Ω;33Ω
B:24Ω;40Ω
C:29Ω;22Ω
D:50Ω;37Ω
在平面稳定流渗流问题的流网图中,以下()是正确的。
A:在渗流条件变化处,等势线可以不同的角度与流线相交
B:不论何种情况下,等势线总与流线正交
C:流线间的距离越小,表示该处的流速越小
D:等势线的间距越小,表示该处的水力坡度越小
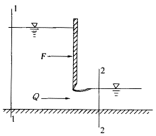
两根完全相同的长管道如图所示,只是2管安装位置低于1管,两管的流量关系为:()
A:Q
1
B:Q
1
>Q
2
C:Q
1
=Q
2
D:不定
单元体处于纯剪应力状态,其主应力特点为:()
A:A
B:B
C:C
D:D
如图所示,设水在闸门下流过的流量Q=4.24m
3
/s,门前断面1的总水压力为P
1
=19.6kN,门后断面2的总水压力为P
2
=3.13kN,闸门前、后的断面平均流速分别为v
1
=2.12m/s,v
2
=5.29m/s,不计水头损失和摩擦阻力,则作用于单位宽度(1m)上闸门的推力F为:()
A:2506N
B:3517N
C:2938N
D:3029N
如图所示受力杆件中,n—n截面上的轴力为:()
A:P
B:2P
C:3P
D:6P
铆钉受力如图所示,其挤压应力的计算有下列四种:()
A:σ
bs
=F/(td)
B:σ
bs
=F/(dt/2)
C:σ
bs
=F/(πdt/2)
D:σ
bs
=F/(πdt/4)
相同地基原位渗透试验单环法得出的渗透系数比双环法大。
下列物质中,键有极性,分子也有极性的是()。
A:CCl
4
B:CO
C:BeCl
2
D:N
2
首页
<上一页
20
21
22
23
24
下一页>
尾页