出自:专业案例考试

某预制桩,桩径为d=500mm,承台埋深1m,桩长12.5m。从地面起土层分布情况为:淤泥层厚度4.0m,桩极限侧阻力标准值qsk=11kPa;粉土层厚度8.0m,qsk=50kPa;砾砂层qsk=116kPa,qpk=6300kPa。按《建筑桩基技术规范》计算,单桩承载力极限值为()。
A:1745kN
B:1328kN
C:1828kN
D:2190kN
某多层砌体房屋,地基土层为均质淤泥质土,fsk=70kPa,房屋基础底面积A=240mm2。采用深层搅拌桩处理地基,用直径0.7m的单孔搅拌桩(AP=0.38m2),桩身水泥土fcu=950kPa,现场单桩载荷试验测得RA=230kN,取桩体强度折减系数η=0.30,桩体竖向抗压承载力修正系数βP=1.0,桩间土承载力修正系数βS=0.4。按《复合地基技术规范》GB/T50783-2012作答。要使处理后的复合地基承载力特征值fspk=140kPa,置换率m最接近下列()项。()
A:0.28
B:0.25
C:0.44
D:0.48

某毛石砌体挡土墙,其剖面尺寸如图所示,墙背直立,排水良好。墙后填土与墙齐高,其表面倾角为β,填土表面的均布荷载为q。按《建筑地基基础设计规范》作答。



第1题,共6个问题
(单选题)假定δ=0,q=0,EA=70kN/m,挡土墙每延米自重为209.22kN/m,挡土墙重心与墙趾的水平距离x0=1.68m,确定挡土墙基础底面边缘的最大压力值pkmax(kPa)最接近下列()项。
A:117
B:126
C:134
D:154

第2题,共6个问题
(单选题)假定δ=0,已计算出墙顶面处的土压力强度σ1=3.8kN/m,墙底面处的土压力强度σ2=27.83kN/m,主动土压力EA=79kN/m,确定主动土压力EA作用点距离挡土墙地面的高度z(m)最接近下列()项。
A:1.6
B:1.9
C:2.2
D:2.5

第3题,共6个问题
(单选题)假定填土采用粉质黏土,其重度为19kN/m3(干密度大于1650kg/m3),土对挡土墙墙背的摩擦角(为墙背填土的内摩擦角),填土的表面倾角β=10°,q=0,确定主动土压力EA(kN/m)最接近下列()项。
A:60
B:62
C:68
D:74

第4题,共6个问题
(单选题)假定填土采用粗砂,其重度为18kN/m3,δ=0,β=0,q=15kN/m2,kA=0.23,确定主动土压力EA(kN/m)最接近下列()项。
A:83
B:76
C:72
D:69

第5题,共6个问题
(单选题)假定挡土墙的主动土压力EA=70kN/m,土对挡土墙底的摩擦系数μ=0.4,δ=13°,挡土墙每延米自重G=209.22kN/m,确定挡土墙抗滑稳定性安全度kA。最接近下列()项。()
A:1.29
B:1.32
C:1.45
D:1.56

第6题,共6个问题
(单选题)条件同(2),已求得挡土墙重心与墙趾的水平距离x0=1.68m,EA作用点距墙底处,确定挡土墙抗倾覆稳定性安全度kT最接近下列()项。
A:2.3
B:2.9
C:3.5
D:4.1
某均质黏性土场地中建筑物采用条形基础,基础底面宽度2.0m,埋深为1.5m,基础线荷载为500kN/m,土层天然重度为19kN/m3,承载力特征值fak=130kPa,采用2.0m厚的粗砂垫层,垫层重度18kN/m3,场地中地下水埋深为4.0m。按规范JGJ79-2002计算。

第1题,共7个问题
(单选题)垫层底面宽度不宜小于()。
A:3.5m
B:3.7m
C:4.1m
D:4.3m

第2题,共7个问题
(单选题)如基坑边坡放坡坡度为1:0.5,垫层顶面宽度宜为()。
A:4.8m
B:5.3m
C:5.8m
D:6.3m

第3题,共7个问题
(单选题)垫层底面处土层径深度修正后的承载力特征值为()。
A:145kPa
B:150kPa
C:155kPa
D:160kPa

第4题,共7个问题
(单选题)垫层底面处的自重应力()。
A:50kPa
B:54kPa
C:60kPa
D:65kPa

第5题,共7个问题
(单选题)垫层底面处的附加应力为()。
A:70.3kPa
B:78.3kPa
C:82.4kPa
D:96.3kPa

第6题,共7个问题
(单选题)垫层底面尺寸宜为()。
A:4.41m
B:4.61m
C:4.81m
D:5.0m

第7题,共7个问题
(单选题)如基坑开挖时放坡角为1:0.75,垫层顶面尺寸宜为()。
A:5.56m
B:6.31m
C:7.06m
D:7.81m
某建筑地基中细粒土层的部分物理性质指标见表4.1.2。 试问:确定该土的名称和状态为下列()项。()
A:黏性土、流塑
B:粉土、密实、稍湿
C:粉土、中密、湿
D:粉土、密实、湿
采用砂石桩处理软土地基,设计砂石桩直径d=550mm,采用等边三角形布桩;砂石桩按规范要求施工成桩后桩体的承载力特征值f=300kPa。假设黏性土地基承载力特征值=90kPa,桩土面积置换率m=0.20,桩土应力比n=2.0,桩间土承载力提高系数α=1.2,则可确定经砂石桩处理后的复合地基承载力特征值最接近于()数值。()
A:130kPa
B:146kPa
C:115kPa
D:120kPa
某段铁路路基位于石灰岩地层形成的地下暗河附近,如习图8.3.2所示。暗河洞顶埋深8m,顶板基岩为节理裂隙发育的不完整的散体结构,基岩面以上覆盖层厚2m,石灰岩体内摩擦角为60°,计算安全系数取1.25,按《铁路特殊路基设计规范》(TB10035-2006)或《公路路基设计规范》(JTGD30-2004),用坍塌时扩散角进行估算,路基坡脚距暗河洞边缘的安全距离L最接近()。
A:3.6m
B:4.6m
C:5.5m
D:30m
已知某场地的钻孔土层资料如下表: 按《建筑抗震设计规范》(GB50011-2010): 场地类别为()。
A:Ⅰ类
B:Ⅱ类
C:Ⅲ类
D:Ⅳ类
某建筑桩基工程采用泥浆护壁非挤土灌注桩,桩径d为600mm,桩长ι=30m,灌注桩配筋、地基土层分布及相关参数情况,如图所示,第③层粉砂层为不液化土层,桩身配筋符合《建筑桩基技术规范》灌注桩配筋的有关要求。建筑物对水平位移不敏感,单桩水平静载试验时,桩顶水平位移6mm时所对应的荷载为75kN,桩顶水平位移10mm时所对应的荷载为120kN。试问:当验算永久荷载控制的桩基水平承载力时,单桩水平承载力特征值(kN)最接近下列()项。
A:60
B:70
C:80
D:90
某深埋隧道为圆形隧道,半径为4.0m,围岩水平应力与垂直应力相等,应力为P=1000kPa,围岩中塑性区半径为10m,围岩内聚力c=20kPa,内摩擦角为30°,按芬纳(Fenner)公式计算。

第1题,共2个问题
(单选题)支护抗力为()。
A:18kPa
B:28kPa
C:38kPa
D:48kPa

第2题,共2个问题
(单选题)若使支护抗力为0,松动圈半径应为()。
A:4m
B:10m
C:13m
D:15.5m
某黏土试样天然孔隙比为0.987,固结试验各级压力下,固结稳定的孔隙比如下表所示,该土样的压缩系数及压缩模量分别为()。
A:0.91MPa-1、2.2MPa
B:0.81MPa-1、12.2MPa
C:0.81MPa-1、2.2MPa
D:0.91MPa-1、12.2MPa
某多层砌体房屋,地基土层为正常固结的均质淤泥质土,fsk=70kPa,房屋基础底面积A=240mm2。采用水泥土搅拌桩处理地基,用直径0.7m的单孔搅拌桩(AP=0.38mm2),桩身水泥土fcu=1.2MPa,现场单桩载荷试验测得RA=180kN,取桩身强度折减系数η=0.25,桩间土承载力发挥系数β=0.4。按《建筑地基处理技术规范》JGJ79-2012作答假定置换率m=0,30,桩数72(根)最接近下列()项。
A:187
B:188
C:189
D:190
某办公楼外墙厚度为360mm,从室内设计地面算起的埋置深度d=1.55m,基础顶面受到的上部结构传来的相应于荷载效应标准组合值为F=88kN/m(见图3.6.1.2)。修正后的地基土承载力特征值fa2=90kPa,室内外高差为0.45m。外墙基础采用灰土基础,H0=300mm,其上采用砖基础。 柱与基础抗冲切承载力为()kN。
A:402.3
B:423.47
C:438.87
D:461.97
利用下表中所给的数据,按《膨胀土地区建筑技术规范》(GBJ112-1987)规定,计算膨胀土地基分级变形量(sxc),其结果应最接近于()。
A:24mm
B:36mm
C:45mm
D:60mm
有一矩形基础顶面受到建筑物传来的相应于荷载效应标准组合时的轴心竖向力为2250kN,基础尺寸为5m×3m,埋深1.5m,土的重度y=18.0kN/m3,则基础外K点下深度z=3m处N点竖向附加应力为()kPa。()
A:159.72
B:87.52
C:21.88
D:39.93
某边坡勘察资料如下:0~3.0m,黏土,φ=20°,c=10kPa,γ=19kN/m33~10m,黏土,φ=15°,c=5kPa,γ=19kN/m3现在该场地进行挖方,挖深为5.0m,场地地下水位为6.0m,地表均布荷载为10kPa,如挖方边坡直立,采用重力式挡墙,不计墙背摩擦力,按《建筑边坡工程技术规范》(GB50330-2002)计算,墙背的主动土压力及其作用点距基坑底面的高度分别为()。
A:105kN、1.23m
B:115kN、1.23m
C:105kN、1.67m
D:115kN、1.67m
某水库库址区位于7度烈度区,地震动峰值加速度为0.10g,主要受近震影响,场地表层为2.0m厚的硬塑黏土层,地下水位埋深为1.0m,2.0~6.0为砂土层,在4.0m处进行动力触探试验,锤击数为11击,蓄水后,水位高出地表为10.0m,砂土层中黏粒百分含量为2%,砂土层下为基岩,该库址区砂土的液化性为()。
A:液化
B:不液化
C:不能判定
某均质粉砂土场地土层,采用高压喷射注浆法处理,要求处理后复合地基承载力为400kPa,桩径为600mm,桩体抗压强度平均值为3.65MPa,桩长为8m,正方形布桩,桩间土承载力折减系数取0.3,按《建筑地基处理技术规范》(JGJ79-2002)计算。 单桩承载力Ra2为()。
A:284kN
B:296kN
C:307kN
D:325kN
确定条形基础台阶数(轴心荷载,b>3m)。墙下某条形基础,埋置深度2.5m,墙身厚度360mm,基础顶面受到的上部结构传来的相应于荷载效应标准组合值F=610kN/m,室内外高差9.45m,修正后的地基承载力特征值fa2=240kN/m2,基础采用混凝土基础,H0=300mm,其上为毛石混凝土基础,则毛石混凝土高度应为()m。()
A:1.85
B:1.75
C:1.65
D:1.55
某黏性土建筑地基拟采用振冲碎石桩处理,初步设计时,桩径为1.0m,按正方形布桩,天然地基承载力特征值为90kPa,桩土应力比η=3.0。按《建筑地基处理技术规范》JGJ79-2012作答。试问:

第1题,共2个问题
(单选题)假定处理后的复合地基承载力特征值fspk=150kPa,按等边三角形布桩,桩间距5(m)最接近于下列()项。()
A:1.55
B:1.65
C:1.75
D:1.85

第2题,共2个问题
(单选题)假定正方形布桩的桩间距s为2.0m,处理后的复合地基承载力特征值fspk(kPa)最接近于下列()项。
A:125
B:128
C:130
D:134
已知矩形基础埋深1.5m,基础顶面受到上部结构传来的,相应于荷载效应标准组合时的轴心竖向力值F=2500kN,基础埋深范围内为粉土,且黏粒含量ρ≥10%,重度γ=17.5kN/m3,持力层为粉土,承载力特征值=130kPa,则基础尺寸应为()m。()
A:3.5、4
B:4、5
C:4、4.5
D:5、6
某7层高度23m的一般民用框架结构房屋,其柱下独立基础的基础埋深为2.0m,地下水位距地表1.0m,建于8度抗震设防区(0.20g),设计地震分组为第一组。工程地质分布情况:地下0~8m粉土,黏粒含量为13.2%;8~22m细砂。现场标准贯入实验测得:深度10m处,N=14(临界值N=18);深度12m处,Ni=16(临界值N=20),深度15m,Ni=18(临界值N=23)。试问:该场地土的液化指数I最接近于下列()项。
A:8.5
B:7.5
C:6.5
D:5.5
某黏性土地基采用振冲碎石桩法处理,桩径为0.8m,采用正方形满堂布桩,地基土承载力特征值为120kPa,压缩模量为5MPa,桩土应力比为4,基础底面压力为220kPa,按《建筑地基处理技术规范》(JGJ79-2002)计算()。

第1题,共5个问题
(单选题)复合地基的模量为()。
A:8.5MPa
B:9.0MPa
C:9.2MPa
D:9.5MPa

第2题,共5个问题
(单选题)振冲碎石桩的面积置换率应为()。
A:25%
B:28%
C:32%
D:35%

第3题,共5个问题
(单选题)复合地基压缩模量Esp为()。
A:6.75MPa
B:7.2MPa
C:7.65MPa
D:8.1MPa

第4题,共5个问题
(单选题)桩体承载力特征值fpk为()。
A:217kPa
B:227kPa
C:237kPa
D:247kPa

第5题,共5个问题
(单选题)桩土应力比n为()。
A:2.25
B:2.5
C:2.75
D:3.0
饱和淤泥质土地基采用石灰桩法进行处理,按等边三角形布桩,桩成孔直径0.40m,桩间距0.90m,桩体强度为450kPa,天然地基承载力为70kPa,压缩模量为3.5MPa,加固后桩间土承载力为加固前的1.2倍,桩面积按1.1倍成孔直径计算,挤密效应系数α=1.2,按《建筑地基处理技术规范》(JGJ79-2002)计算。复合地基的压缩模量为()。
A:7.5MPa
B:8.2MPa
C:9.1MPa
D:10.3MPa
某建筑物基础尺寸为16m×32m,基础底面埋深为4.4m,基础底面以上土的加权平均重度值为13.5kN/m3,作用于基础底面相应于作用的准永久组合和标准组合的竖向荷载分别是122880kN和153600kN。在深度12.4m以下埋藏有软弱下卧层,其内摩擦角标准值K=6°,黏聚力标准值CKk=30kPa,承载力系数Mb=0.10,Mxc=1.39,Mxc=3.71。深度12.4m以上土的加权平均重度已算得10.5kN/m3。根据上述条件,计算作用于软弱下卧层顶面的总压力并验算是否满足承载力要求。设地基压力扩散角取θ=23°,下列各项表达中()是正确的。()
A:总压力为270kPa,满足承载力要求
B:总压力为270kPa,不满足承载力要求
C:总压力为280kPa,满足承载力要求
D:总压力为280kPa,不满足承载力要求

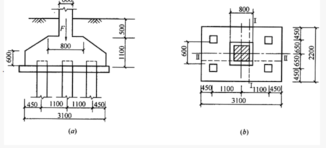
某建筑柱下桩基锥形承台,为5桩承台,如图所示。柱截面尺寸为600mm×400mm,采用C40混凝土(fT=1.71N/mm2);承台采用C30混凝土(fT=1.43N/mm2)。桩截面尺寸为400mm×400mm。承台顶面仅承受上部结构传来的轴压力F。承台顶面截面尺寸为800mm×600mm。取承台板钢筋的混凝土保护层厚度为100mm。



第1题,共2个问题
(单选题)承台Ⅰ-Ⅰ截面处的斜截面受剪承载力(kN)最接近下列()项。()
A:2200
B:2400
C:2600
D:2800

第2题,共2个问题
(单选题)承台Ⅱ一Ⅱ截面处的斜截面受剪承载力(kN)最接近下列()项。
A:4300
B:4500
C:4700
D:4900
河床表层为粗砂层,下伏粉砂层,粗砂土和粉砂土累积曲线如图1.7.1.1所示,试判别在坝下水平渗流作用下和下游垂直渗流作用下的渗透变形为()。
A:可发生接触冲刷,不全发生接触流失
B:不会发生接触冲刷,可发生接触流失
C:二者均不会发生
D:二者均可能发生
某高层建筑的平板式筏形基础,如图所示,柱为底层内柱,其截面尺寸为600mm×1650mm,柱采用C60级混凝土;筏板采用C30级混凝土(f1=1.43N/mm2),相应于作用的标准组合时的地基净反力为220kPa。相应于作用的标准组合时的柱子轴压力为13000kN,弯矩为180kN·m。筏板厚度为1.2m,局部板厚为1.8m,取aS=50mm。基本组合由永久作用控制。 筏板变厚度处,单位宽度的受剪承载力设计值(kN),最接近下列()项。
A:1050
B:1080
C:1150
D:1180
基坑工程施工单位项目部应指定专人督促()的实施。发现有危及人身安全紧急情况的,项目部应立即组织作业人员撤离危险区域。
A:基坑安全专项施工方案
B:测量放线方案
C:基坑监测
D:环境保护方案

建筑场地为淤泥质土场地,淤泥质土厚为10m,其下为泥岩,土层水平向渗透系数为,采用砂井预压法进行地基处理,袋装砂井直径为70mm,砂料渗透系数,涂抹区渗透系数ks=0.5×10-7cm/s,取s=3,砂井按三角形布置,间距1.4m,深度为10m,砂并打穿受压土层,预压荷载为80kPa,一次适加,加荷速率为8kPa/d,按《建筑地基处理技术规范》(JGJ79-2002)计算。



第1题,共5个问题
(单选题)加荷开始后80d,受压土层平均固结度为()。
A:0.4
B:0.5
C:0.6
D:0.7

第2题,共5个问题
(单选题)如使受压土层平均固结度达到80%,需要()时间。()
A:136d
B:146d
C:156d
D:166d

第3题,共5个问题
(单选题)砂井竖向通水量qw为()cm3/s。()
A:1.145cm3/s
B:1.154cm3/s
C:1.163cm3/s
D:1.176cm3/s

第4题,共5个问题
(单选题)系数F为()。
A:7.023
B:7.223
C:7.423
D:7.623

第5题,共5个问题
(单选题)系数α、β分别为()。
A:1、0.00900
B:1、0.00928
C:0.81、0.00900
D:0.81、0.00928