自考题库
首页
所有科目
自考历年真题
考试分类
关于本站
游客
账号设置
退出登录
注册
登录
出自:继电保护工
关于智能变电站压板的描述,下述说法正确的有()。
A:检修压板可采用硬压板
B:保护装置应采用软压板
C:检修压板投入时应上送带品质位信息
D:当检修压板投入其他装置收到保护信息,视为无效数据
在微机型保护中,控制电缆()
A:无须接地;
B:两端接地;
C:靠控制屏一端接地;
D:靠端子箱一端接地。
标准推荐的保活选项TCP_KEEPALIVE的范围为()。
A:1~60s
B:1~30s
C:1~20s
D:1~40s
在所有圆特性的阻抗继电器中,当整定阻抗相同时,()反映过渡电阻能力最强。
A:全阻抗继电器
B:方向阻抗继电器
C:工频变化量阻抗继电器
为什么线路的正序阻抗和负序阻抗是近于相等的?
更换有功变送器的操作过程。
继电保护动作具有选择性,其包含的含义为()。
A:当继电保护或断路器拒动时,后备保护切除故障时保证停电范围尽可能小
B:继电保护在需要动作时不拒动,不需要动作时不误动
C:当元件或设备故障时,首先由装设在本设备上的继电保护动作切除故障
D:继电保护以尽可能快的速度动作切除故障元件或设备
重大缺陷:因元器件质量问题而导致装置无法运行;由于数据采集错误、逻辑设计错误、通信交换故障等其他原因,导致试运行期间装置误动作。出现一次扣()。
A:10分
B:20分
C:40分
D:30分
智能变电站的故障录波器配置中,GOOSE控制块应不少于()个。
A:16
B:32
C:64
D:128
下列对线路距离保护振荡闭锁控制原则的描述错误的是()。
A:单侧电源线路的距离保护不应经振荡闭锁
B:双侧电源线路的距离保护必须经振荡闭锁
C:35kV及以下的线路距离保护不考虑系统振荡误动问题
方向阻抗继电器的电压谐振回路按50Hz调谐后,运行频率偏高或偏低,其最大灵敏角将发生变化。
利用接入电压互感器开口三角形电压反闭锁的电压回路断相闭锁装置,在电压互感器高压侧断开一相时,电压回路断线闭锁装置()
A:动作
B:不动作
C:可动可不动
微机保护要保证各通道同步采样,如果不能做到同步采样,除对()以外,对其他元件都将产生影响。
A:负序电流元件
B:相电流元件
C:零序方向元件
D:以上均不正确
保护电压采样无效对光差线路保护的影响有()。
A:闭锁所有保护
B:闭锁与电压相关的保护
C:对电流保护没影响
D:自动投入TV断线过流
智能变电站中,交换机传输各种帧长数据时交换机固有时延应小于(),帧丢失率应为()。
A:10μs,1%
B:15μs,1%
C:10μs,0
D:15μs,0
BRCB缓存报告控制块;URCB指非缓存报告控制块,BRCB和URCB均采用多个实例可视方式。
中间验收是指指根据()等要求对工程实施过程关键工序进行的质量验收。
A:《电气装置安装工程质量检验及评定规程》
B:《电力供应与使用条例》
C:《110~500kV送变电工程质量检验及评定标准》
D:《电力安全生产监管办法》
在某些运行方式下,允许适当地牺牲部分选择性,例如对终端供电变压器等情况。
空载长线路充电时,末端电压会升高。这是由于对地电容电流在线路自感电抗上产生了压降。
在RCS—978中的差动保护是利用()的五次谐波含量作为过激磁的判断。
A:相电流
B:三相电流
C:相间电流
D:差电流
GPS对时系统应具备完善的防雷保护措施,包括GPS天线、电源等模块安装避雷器。()
220kV线路保护一般采用()方式,即当故障元件的一套继电保护装置拒动时,相互独立的另一套继电保护装置动作切除故障。
A:近后备
B:远后备
C:主保护、后备保护结合
D:速断保护、延时保护结合
非连续进行的事故修复工作应使用()。
A:工作票
B:事故检修单
C:电气带电作业工作票
D:操作票
计算题:已知合闸电流I=78.5A,合闸线圈电压Ude=220V;当蓄电池承受冲击负荷时,直流母线电压为Ucy=194V,铝的电阻系数
,电缆长度为110m,选择合闸电缆的截面。
断路器失灵保护中的相电流判别元件的整定值按什么原则计算?如果条件不能同时满足,那么以什么作为取值依据?
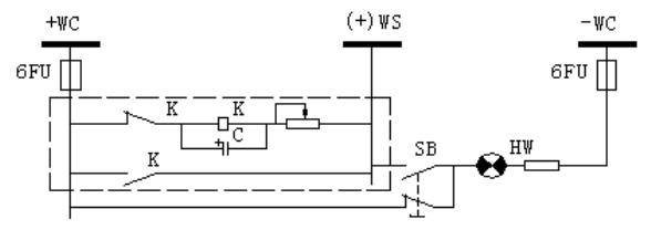
图是闪光信号回路图。
组网方式下,当纵联差动保护装置的本地同步时钟丢失时,()保护需要闭锁。
A:距离
B:纵联差动
C:零序
D:没有
为了从时间上判别断路器失灵故障的存在,失灵保护动作时间的整定原则为()。
A:大于故障元件的保护动作时间和断路器跳闸时间之和
B:大于故障元件的断路器跳闸时间和保护返回时间之和
C:大于故障元件的保护动作时间和返回时间之和
D:大于故障元件的保护动作-返回时间和断路器跳闸时间之和
对综合重合闸中的选相元件有()基本要求。
A:在被保护范围内发生非对称接地故障时,故障相选相元件必须可靠动作,并应有足够的灵敏度
B:在被保护范围内发生单相接地故障以及在切除故障相后的非全相运行状态下,非故障相的选相元件不应误动作
C:选相元件的灵敏度及动作时间都不应影响线路主保护的性能
D:个别选相元件拒动时,应能保证正确跳开三相断路器,并进行三相重合闸。不允许因选相元件拒动,造成保护拒动,从而扩大事故
E:选相元件动作后在主保护不动作的情况下允许直接三相跳闸
测量数据处理采用零值死区的原因是()。
A:不允许数据为零
B:校正数据满度误差
C:校正数据采集误差
D:校正“0”漂干扰
首页
<上一页
214
215
216
217
218
下一页>
尾页