自考题库
首页
所有科目
自考历年真题
考试分类
关于本站
游客
账号设置
退出登录
注册
登录
出自:专业案例考试
某场地中地层为黏性土,在3.0m处进行重型动力触探,触探杆长4.0m,探头及杆件系统重20.0kg,探头直径为74mm,重锤落距76cm,贯入15cm的击数为20击,该测试点动贯入阻力为()。
A:10MPa
B:11.2MPa
C:12MPa
D:13.5MPa
某建筑基坑为粉细砂地层,在基坑施工中采取降水措施,土的不均匀系数Cu=12,比重Gs=2.70,孔隙度n=42%,如防止潜蚀作用产生,渗透水流的水力坡度不应大于()。
A:0.4
B:0.8
C:1.2
D:1.6
某边坡剖面如图6.2.4.6所示,挡墙为梯形截面,墙高为6.0m,墙背填土表面倾角为30°,填土内摩擦角30°,内聚力25kPa,填土重度为20kN/m3,填土与墙背摩擦角为10°,墙背倾角为70°,稳定岩石坡面倾角为50°,岩石坡面与填土间摩擦角为12°,该挡墙单位长度上的主动土压力合力标准值为()。
A:137kN/m
B:150kN/m
C:160kN/m
D:173kN/m
某公路工程场地为松散粉细砂场地,场地土层最大孔隙比为0.98,最小孔隙比为0.67,天然孔隙比为0.92,采用砂桩处理,按正三角形布桩,要求处理后土的相对密度达到0.85,砂桩直径为40cm,按规范JTGD63-2007计算。
第1题,共5个问题
(单选题)如单独基础尺寸为3×7m2,处理范围大于基础尺寸每边0.5m需要的砂桩根数不应少于()根。
A:18
B:24
C:27
D:30
第2题,共5个问题
(单选题)砂桩间距S宜为()。
A:1.10m
B:1.17m
C:1.23m
D:1.30m
第3题,共5个问题
(单选题)垫层底面处径深度修正后的地基承载力特征值faz为()。
A:187kPa
B:196kPa
C:196.5kPa
D:200kPa
第4题,共5个问题
(单选题)垫层底面处自重应力值Pcz为()。
A:28.5kPa
B:30kPa
C:66.0kPa
D:66.5kPa
第5题,共5个问题
(单选题)垫层底面处附加应力值为Pz为()。
A:116kPa
B:116.7kPa
C:250kPa
D:251.5kPa
某饱和黏土层地基6m厚,黏土层天然抗剪强度τf0=30kPa,三轴不排水压缩试验得cu=29°,黏土层天然孔隙比e=0.90;采用堆载预压法处理地基,排水竖井采用塑料排水带,等边三角形布置,塑料排水带宽和厚为100mm×4mm,井径比n=20。
第1题,共3个问题
(单选题)排水竖井的间距较合适的是()。
A:1.260m
B:1.170m
C:0.300m
D:0.450m
第2题,共3个问题
(单选题)若黏土层在堆载产生的附加应力作用下,孔隙比达到e=0.85时黏土层的最终竖向变形量最接近于()数值。(经验系数ζ取1.2)
A:25cm
B:19cm
C:11cm
D:15cm
第3题,共3个问题
(单选题)采用大面积堆载Δσ=100kPa,当黏土层平均固结度达U=50%时,黏土层的抗剪强度可以确定为()。
A:35kPa
B:46kPa
C:58kPa
D:62kPa
某二级岩体边坡如图6.2.1.2所示:边坡受一组节理控制,节理走向与边坡走向相同,地表出露线距坡顶20m,坡顶水平,节理面与坡面交线和坡顶的高差为40m,与坡顶的水平距离为10m,节理面内摩擦角为35°,内聚力为40kPa,岩体重度为21kN/m3,按《建筑边坡工程技术规范》(GB50330-2002)计算边坡的稳定性为()。
A:0.82
B:1.0
C:1.20
D:1.25
某红黏土地基详勘时资料如下:ω=46,ωp=32,wl=58,该红黏土的状态及复浸水性类别分别为()。
A:软塑、Ⅰ类
B:可塑、Ⅰ类
C:软塑、Ⅱ类
D:可塑、Ⅱ类
如图所示,相邻两座A、B楼,由于建B楼对A楼产生影响,如图中所示。沉降计算深度取z=10m。试问:确定在建B楼后A楼的附加沉降量s(mm)最接近下列()项。()
A:13
B:15
C:17
D:19
某单层地下车库建于岩石地基上,采用岩石锚杆基础。柱网尺寸8.4m×8.4m,中间柱截面尺寸600mm×600mm,地下水位位于自然地面以下1m,如图为中间柱的基础示意图。
相应于作用的标准组合时,作用在中间柱承台底面的竖向力总和为-600kN(方向向上,已综合考虑地下水浮力、基础自重及上部结构传至柱基的轴力);作用在基础底面形心的力矩值MXk、Mk均为100kN·m。试问,相应于作用的标准组合时,单根锚杆承受的最大拔力值Ntmax(kN),与下列何项数值最为接近?()
A:125
B:167
C:233
D:270
某砂土场地采用振冲碎石桩处理,采用矩形布桩,横向桩距为1.4m,纵向桩距为1.6m,桩径为1.0m,桩体承载力特征值为250kPa,桩间土承载力特征值为110kPa,压缩模量Es~5.5MPa,按《建筑地基处理技术规范》(JGJ79-2002)计算。复合地基的承载力为()。
A:160kPa
B:155kPa
C:150kPa
D:145kPa
某地泥石流调查资料:固体物质体积与水的体积比0.28,固体物质比重为2.65,设计清水流量为600m3/s,补给区中固体物质的原始含水量为38%,按第一种配方法计算泥石流设计流量为()。
A:600m3/s
B:680m3/s
C:792m3/s
D:880m3/s
基坑工程验收必须以确保()安全为前提。当设计有指标时,以设计指标为依据,无设计指标时应按有关技术标准和施工方案的规定执行。
A:支护结构
B:地下水控制
C:周边环境
D:试验
某办公楼外墙厚度为360mm,从室内设计地面算起的埋置深度d=1.55m,基础顶面受到的上部结构传来的相应于荷载效应标准组合值为F=88kN/m(见图3.6.1.2)。修正后的地基土承载力特征值fa2=90kPa,室内外高差为0.45m。外墙基础采用灰土基础,H0=300mm,其上采用砖基础。
试按二一间隔收砌法确定砖放脚的台阶数为()。
A:4
B:5
C:6
D:7
某建筑筏板基础尺寸16m×34m,从天然地面算起基础埋深3.4m,地下水位在地面下1.0m,基础底面以上填土γ=18kN/m3,作用于基础底面相应于作用的标准组合和准永久组合的竖向压力值分别为143600kN和130560kN,根据设计要求,室外地面将在上部结构施工完后普遍提高1.5m。试问:计算地基变形用的基底附加压力p0(kPa)最接近下列()项。()
A:220
B:210
C:200
D:190
某工程场地进行单孔抽水试验,地层情况及滤水管位置见下图,滤水管上下均设止水装置,抽水参数为:钻孔深12m,承压水位1.5m,钻孔直径0.8m。假定影响半径100m,第一次降深2.1m,涌水量510m3/d;第二次降深3.0m,涌水量760m3/d;第三次降深4.2m,涌水量1050m3/d,用裘布依公式计算含水层的平均渗透系数k为()。
A:71m/d
B:74.2m/d
C:73.2m/d
D:73m/d
某建筑场地地基主要受力层为粉细砂层,地基承载力特征值fak=110kPa,压缩模量E=5.6MPa。拟采用加填料的振冲法进行地基处理,fpk=510kPa,桩体平均直径d=750mm,桩间距2m,等边三角形布置,桩土应力比π=2,桩间土承载力提高系数α=1.3。如果要求处理后的复合地基的承载力特征值fspk=180kPa,那么较合适的复合地基的桩土面积置换率是()。
A:0.30
B:0.28
C:0.18
D:0.12
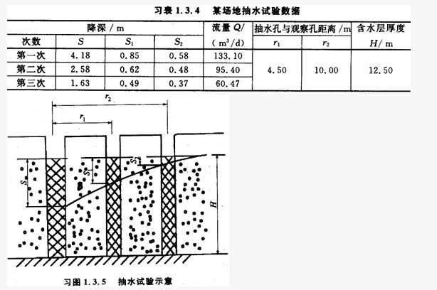
某建筑场地进行多孔抽水试验,底层情况、滤水管位置和孔位如习图1-3.5所示,有两个观测孔,测试主要数据见习表1.3.4。
假定为稳定流、潜水完整井,计算含水层的平均渗透系数最接近下列()数值。()
A:24m/d
B:12m/d
C:6m/d
D:3m/d
某重力式挡墙墙面直立,墙体重度为22kN/m3,墙背倾角70°,墙顶宽度为0.8m,墙高为6.0m,墙底面水平,底面与土体的摩擦角为20°,墙背与填土间摩擦角为10°,每延长米挡墙上受到的主动土压力合力标准值为80kN,作用点位于1/3墙高处,按《建筑边坡工程技术规范》(GB50330-2002)计算。
第1题,共2个问题
(单选题)挡墙的抗倾覆稳定性系数K0为()。
A:1.54
B:2.04
C:2.54
D:3.00
第2题,共2个问题
(单选题)挡墙的抗滑移稳定性系数Kc2为()。
A:1.05
B:1.20
C:1.35
D:1.52
某场地为8度地震区,场地类别为Ⅱ类,设计地震分组为第一组,建筑物甲与建筑物乙的结构自振周期分别为0.3s和0.45s,阻尼比ζ0.05,根据《建筑抗震设计规范》(GB50011-2010),如果建筑物甲和乙的地震影响系数分别以α1和α2表示,则地震影响系数α1/α2的值是()。
A:1.0
B:1.25
C:1.6
D:2.0
某位于季节性冻土场地上的轻型建筑物采用
400mm的钻孔桩,桩长6m,桩周冻胀土为黏土,冻胀等级属强冻胀,标准冻深2.2m,作用于桩上的冻拔力设计值为()。
A:<199kN
B:298kN
C:199~298kN
D:149kN
某350mm×350mm打入式混凝土预制方桩,混凝土为C30,f=14.3MPa,拟采用自由落锤方式打入,锤的直径为500mm,桩垫直径为400mm,其他条件见表4.9.1、图4.9.1。
锤的落距宜为()。
A:10.5m
B:11.1m
C:11.6m
D:12.1m
地基中心点下附加应力的计算(见图3.1.4.2)。基础底面埋深D=1.5m,基础尺寸BL=1.25m×2m,相应于荷载效应标准组合时,上部结构传到地面处的荷载为200kN,基底上下均为黏土,土的重度γ=18.1kN/m3,饱和重度为19.7kN/m3,地下水位位于基底下1.0m处,则基底中心点下3.0处的附加应力为()kPa。()
A:2.40
B:7.29
C:9.61
D:29.16
某建筑场地为黏性土场地,采用砂石桩法进行处理,等边三角形布桩,桩径为0.8m,桩土应力比为3,天然土层承载力为100kPa,处理后复合地基承载力为180kPa,桩间距宜为()。
A:1.1m
B:1.2m
C:1.3m
D:1.4m
某大面积压实填土建筑地基进行现场静载荷载试验,实测得三个测点的地基承载力特征值分别为:180kPa、190kPa,196kPa。试问:该压实填土地基承载力特征值fak(kPa)最接近下列()项。()
A:180
B:188.7
C:190.3
D:196
某公路桥台基础,基底尺寸为4.3m×9.3m,荷载作用情况如习图3.3.20所示。已知基础土修正后的容许承载力为270kPa。按照《公路桥涵地基与基础设计规范》(JTGD63-2007)验算基础底面土的承载为时,得到的正确结果应该是()论述。()
A:基础底面平均压力小于地基容许承载力;基础底面最大压力大于地基容许承载力
B:基础底面平均压力小于地基容许承载力;基础底面最大压力小于地基容许承载力
C:基础底面平均压力大于地基容许承载力;基础底面最大压力大于地基容许承载力
D:基础底面平均压力大于地基容许承载力;基础底面最大压力小于地基容许承载力
某钻孔中进行压水试验,钻孔半径为110mm,试验段长度为2.0m;总压力为50m水柱高,稳定流量为40L/min。
第1题,共4个问题
(单选题)如试验段底部距隔水层的厚度大于试验段长度,渗透系数为()m/d。()
A:0.23
B:2.3
C:5.0
D:23
第2题,共4个问题
(单选题)该试验段的单位吸水量为()L/(min·m
2
)。()
A:0.10
B:0.40
C:1.00
D:4.00
第3题,共4个问题
(单选题)计算该粉土的的
标准值
K最接近下列()项。
A:22.06°
B:21.12°
C:21.02°
D:20.83°
第4题,共4个问题
(单选题)计算该粉土的c的标准值CK最接近下列()项。()
A:14.16
B:14.57
C:15.12
D:15.36
某黄土场地采用单液硅化法处理,场地尺寸为20m×50m,处理深度为5.0m,灌注时水玻璃的相对密度为1.15,地基土天然孔隙比为0.90,填充系数为0.7,水玻璃出厂时比重为1.48,按《建筑地基处理技术规范》(JGJ79-2002)计算。
第1题,共3个问题
(单选题)处理该场地时需配制水玻璃溶液()t。
A:1708
B:1808
C:1908
D:2008
第2题,共3个问题
(单选题)需采购水玻璃()t。
A:450
B:500
C:550
D:600
第3题,共3个问题
(单选题)如单孔碱液灌注量为900L,加固厚度为()。
A:4.0m
B:4.02m
C:5.2m
D:5.22m
某洞室顶部有不稳定块体重80kN,采用永久锚杆喷射混凝土支护,γ0=1.0,fy=210MPa,混凝土的抗拉承载力为1.3MPa,不稳定块体周长为6.0m,按《建筑边坡工程技术规范》(GB50330-2002)计算:
第1题,共2个问题
(单选题)喷层厚度不宜小于()。
A:0.2mm
B:50mm
C:100mm
D:150mm
第2题,共2个问题
(单选题)锚杆截面积不宜小于()。
A:270mm
2
B:790mm
2
C:820mm
2
D:900mm
2
某建筑物地基采用CFG桩处理,CFG桩单桩承载力特征值为800kN,桩间土承载力特征值为120kPa,桩体竖向抗压承载力修正系数βP=1.0,桩间土承载力修正系数βS取为0.90,采用三角形布桩,单桩直径为0.5m。按《复合地基技术规范》GB/T50783-2012作答。
第1题,共1个问题
(单选题)要使处理后的复合地基承载力特征值fspk=480kPa,按正方形布桩,桩间距s(m)最接近下列()项。
A:1.40
B:1.45
C:1.50
D:1.55
某建筑桩基承台如图所示,采用混凝土预制圆桩,桩径为0.4m,桩长为10m,采用单桥静力触探,其数据见图中所示。试问:该单桩竖向极限承载力标准值Quk(kN)最接近下列()项。()
A:800
B:900
C:1000
D:1100
首页
<上一页
19
20
21
22
23
下一页>
尾页