自考题库
首页
所有科目
自考历年真题
考试分类
关于本站
游客
账号设置
退出登录
注册
登录
出自:计算机科学
Dreamweaver的图像在Fireworks中可以得到什么处理()。
A:直接优化
B:间接优化
C:直接钝化
D:间接钝化
有一段程序如下,请设计测试用例以满足语句覆盖要求。
结构化程序设计的思想是什么?
在PadsLayout中是系统提供了的单位换算正确的()。
A:1MM=2.54MIL
B:1CM=2.54MIL
C:1MIL=2.54MM
计算机应用广泛,而其应用最广泛的领域是()
A:科学与工程计算
B:数据处理与办公自动化
C:辅助设计与辅助制造
D:信息采集与过程控制
发生一根或几根光纤原接续点损耗大障碍现象,障碍可能原因是下面的哪种()?
A:光缆受外力影响被挖断、扎断等、供电系统中断
B:光纤接续点保护管安装问题或接头盒进水
C:光缆受机械力扭伤,部分光纤扭曲、断裂
D:在原接续点附近出现断纤现象
E:光缆受机械力或由于光缆制造原因造成
SolidWorks模型由零件、装配体和工程图组成,它们的文件格式分别为()
A:sldasm,sldprt,slddrw
B:sldprt,slddrw,sldasm
C:sldprt, sldasm, slddrw
在Do......Loop语句中有两种形式: 形式1: Do{While|Until}<条件> 语句块 [Exit Do 语句块] Loop形式2: Do 语句块[Exit Do 语句块] Loop{While|Until}<条件> 形式1和形式2的区别在于()
A:形式1为先执行后判断,至少执行一次形式2为先判断后执行,可能一次也不执行
B:形式1为先判断后执行,可能一次也不执行形式2为先执行后判断,至少执行一次
C:形式1为先判断后执行,至少执行一次形式2为先执行后判断,至少执行一次
D:以上说法都不正确
页脚位于文档的()。
A:顶部
B:底部
C:中部
D:任意位置
举例说明什么是基本形的重复?
下列表达式结果为数值型的是()。
A:"9988"-"1255"
B:200+800=1000
C:CTOD([11/22/01])-20
D:LEN(SPACE(3))-1
下列哪两种中文字体不能被转换为图形?()
A:TrueType字体
B:Bitmap(点阵)字
C:PostScript字体
D:ATM字体
在报表中,如果不需要页眉和页脚,可以将不要的节的()属性设置为“否”,或者直接删除页眉和页脚,但如果直接删除,ACCESS 2OO3按同时删除()。
IT服务项目质量管理就是服务供方通过哪些方式最终达到客户满意()
A:制定质量方针、制定质量目标以及质量计划、质量控制、质量保证和质量改进等活动、确保IT服务满足服务级别协议的要求
B:制定质量方针、制定质量目标以及质量计划、质量保证和质量改进等活动、确保IT服务满足服务级别协议的要求
C:制定质量方针、制定质量目标以及质量控制、质量保证和质量改进等活动、确保IT服务满足服务级别协议的要求
D:制定质量方针、制定质量目标以及质量计划、质量控制、质量保证和确保IT服务满足服务级别协议的要求
E:制定质量方针、制定质量目标以及质量计划、质量控制、质量保证和质量改进等活动
在AutoCAD中,使用()可以在打开的图形间来回切换,但是,在某些时间较长的操作(例如重生成图形)期间不能切换图形。
A:Ctrl+F9键或Ctrl+Shift键
B:Ctrl+F8键或Ctrl+Tab键
C:Ctrl+F6键或Ctrl+Tab键
D:Ctrl+F7键或Ctrl+Lock
模拟音频数字化过程中,影响数字音频信号质量的主要技术指标包括()。
A:采样频率
B:编码算法
C:采样精度
D:声道数
()不是窗体中控件的常用属性。
A:控件来源
B:格式
C:输入掩码
D:默认值
E:有效性规则
F:索引
可行性研究从技术可行性、经济可行性、操作可行性和()四方面研究项目能否在规定的时间、规定的成本下完成。
A:内部可行性
B:外部可行性
C:时间可行性
D:空间可行性
任何一个项目组的形成过程都要经过分组、()、()、分配角色等几个阶段。
在UNDO命令执行之后,立即键入什么命令可以将UNDO命令取消重新执行一次()
A:ERASE
B:REDO
C:OOPS
D:REDRAW
关于Illustrator的查找替换功能,以下说法正确的是哪些()。
A:“查找字体”命令用于查找文件中的指定字体并用其他字体替换
B:利用“编辑|查找和替换”命令可以替换文字内容和字体
C:只能替换文字内容,不能通过菜单命令替换文字字体
D:执行“文字|查找字体”命令,弹出“查找字体”对话框,在对话框最上方选择要查找的字体名称
假定一个同步总线的工作频率为33MHz,总线宽度为32位,则该总线的最大数据传输率为()
A:66MB/s
B:1056MB/s
C:132MB/s
D:528MB/s
()属于可执行文件。
A:1234.exe
B:1234.txt
C:345r.avi
D:7895.bmp
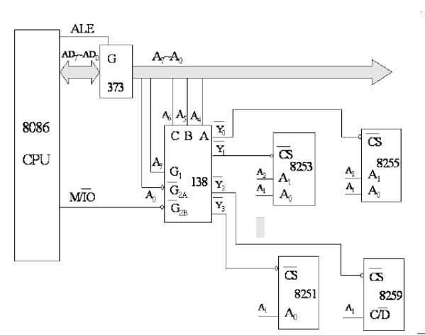
8086系统中接口连接关系如下图所示。
第1题,共2个问题
(简答题)试分别确定8255,8253的端口地址。
第2题,共2个问题
(简答题)设8255的PA口为输出,PB口为输入,试写出对PA口和PB口执行输入/输出操作的指令。
传送数据时,占用CPU时间最长的是()。
A:查询
B:中断
C:DMA
D:无条件传送
()网络设备能将不同网络或网段之间的数据信息进行“翻译”,以使它们能够相互“读懂”对方的数据,从而构成一个更大的网络。
A:中继器
B:网络适配器
C:路由器
D:同轴电缆
用WINHEX物理打开磁盘时不会读取DBR参数。
寄存器寻址其运算速度较低。
普通视图含有()窗格。
A:备注
B:大纲
C:浏览
D:幻灯片
用字符串指针变量处理字符串与用字符数组处理字符串有何不同?
首页
<上一页
2005
2006
2007
2008
2009
下一页>
尾页