自考题库
首页
所有科目
自考历年真题
考试分类
关于本站
游客
账号设置
退出登录
注册
登录
出自:电气工程公共基础
空间滤波器
农民在塑料棚中种蔬菜,雨过天晴后,要将塑料棚上的积水放掉,这是为什么?
数字电路中常用的脉冲整形电路是()。
A:施密特触发器
B:多谐振荡器
C:单稳态触发器
D:集成定时器
噪音测量时,声强是指通过某一位置处的净声能大小和方向的矢量。
某台泵的转速由4500r/min上升到5000r/min,其比转速()。
A:增加
B:降低
C:不变
D:有可能增加,也可能降低,不可能不变
在下列功能表示方法中,不适合用于表示时序逻辑电路功能的是()
A:状态转换图
B:特征方程
C:真值表
D:数理方程
在相同温度下,氢气分子的最概然速率是氧气分子最概然速率的()倍。
A:2
B:4
C:
D:1/
反应PCl3(g)+Cl2(g)PC5(g),在298K时,,此温度下平衡时,如p(PCl5)=p(PCl3),则p(Cl2)=()。
A:130.38kPa
B:0.767kPa
C:7607kPa
D:7.67×10-3kPa
叙述采用光学自动设计软件进行光学系统设计的基本流程。
由曲线与直线x=1及x轴所围图形绕y轴旋转而成的旋转体的体积是().
A:3/7π
B:4/7π
C:π/2
D:π
下列两电池反应①和②的标准电动势分别为
②2HCl=H2+Cl2,则的关系是()。
A:
B:
C:
D:
大型变压器温升试验时为什么要做变压器油的色谱分析?
扫描莫尔
逐次逼近型A/D转换器由()和时钟信号等几部分组成。
A:电压比较器
B:A/D转换器
C:控制逻辑电路
D:逐次逼近寄存器
在GB1094.3-2003标准中规定,对于高压绕组Um>72.5kV的变压器,其所有绕组线端的雷电冲击试验为()。
A:例行试验
B:特殊试验
C:型式试验
如果一个公司决定向其内部顾客就他们使用的IT服务进行计费以提高总体成本意识,下列哪个过程或职能负责确保这些服务()。
A:IT服务财务管理
B:服务级别管理
C:业务关系管理
D:事件管理
已知齐次方程xy"+y’=0有一个特解为lnx,则该方程的通解为().
A:y=C1lnx+C2
B:y=C1lnx+C2X
C:y=C(lnx+1)
D:y=C(lnx+x)
简述卷积运算的两个效应?
发电机的调相运行是指发电机不发有功,主要向电网输送_________。
将一个实验室内的若干台计算机通过网卡,集线器和双绞线连成的网络属于()。
A:局域网
B:广域网
C:城域网
D:网际网
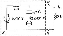
已知电路如图所示,若用端电压为电压源元件和复阻抗ZS的串联组合对有源二端网络NA进行等效,则()。
A:
B:
C:
D:
电力系统相间短路的形式有_________短路和_________短路
设α,β,γ,δ是维向量,已知α,β线性无关,γ可以由α,β线性表示,δ不能由α,β线性表示,则以下选项正确的是()。
A:aα,β,γ,δ线性无关
B:α,β,γ线性无关
C:α,β,δ线性相关
D:α,β,δ线性无关
下列关于医疗设施表述有误的是( )。
A:所有洁净手术室均应设置安全保护接地系统和等电位接地系统
B:心脏外科手术室必须设置有隔离变压器的功能性接地系统
C:医疗仪器应采用等电位连接接地系统
D:电气设备应采用专用接地系统
某家庭预计今后20年内的每月月末收入为6800元,如月收入的40%可以用于支付住房抵押贷款的月还款额,在年贷款利率为6%的情况下,该家庭有偿还能力的最大抵押贷款额为()万元。
A:37.97
B:37.44
C:94.93
D:37.87
露天水池,水深5m处的相对压强约为()kPa。
A:5
B:49
C:147
D:205
孔径阑
研究弯管阻力的模型实验,模型实验设计采用()。
A:雷诺准则
B:弗劳德准则
C:欧拉准则
D:A、B、C各准则
继电保护装置定期检验可分为__________、___________、用装置进行断路器跳合闸试验。
操作系统的基本功能是()。
A:控制和管理系统内的各种资源,有效地组织多道程序的运行
B:提供用户界面,方便用户使用
C:提供方便的可视化编辑程序
D:提供功能强大的网络管理工具
首页
<上一页
18
19
20
21
22
下一页>
尾页