自考题库
首页
所有科目
自考历年真题
考试分类
关于本站
游客
账号设置
退出登录
注册
登录
出自:变压器检修工
装设接地线和拆卸地线的操作顺序是相反的,装设时是先装()。
A:火线
B:接地端
C:三相电路端
D:零线
零件的极限尺寸就是零件允许达到的最大尺寸。
电压互感器的角误差,是二次侧电压的矢量转过180°后和原电压矢量间以度和分计的相位差的数值。如果二次侧电压超前原电压时,角度的误差是()的。
A:负;
B:正;
C:0;
D:可能负。
气相干燥
套装绕组时,可以用手帮助往下压,但不能用其他工具下压
纠结式绕组中的纠线是指纠结单元内进行“纠结”连接的导线,连线是指由一个纠结单元进入下一个纠结单元的导线。
做变压器油耐压试验应注意哪些事项?
常用的A级绝缘材料有哪些?耐热温度是多少?
对于全绝缘变压器,应通过感应高压试验对()()绝缘进行考核;对于半绝缘的变压器,因为不能进行工频耐压试验,所以对其()()绝缘的考核,只能通过感应高压试验来进行。
异步电动机的接法为380V,△是指当电源线电压为380V时,接成三角形。
同一线圈不同点之间的绝缘为()。
变压器为何不能接直流电源?
绝缘材料的热击穿是怎样发生的?
110kV套管带电部分相同的空气绝缘距离为840mm,套管带电部分对接地部分空气绝缘距离为880mm,110kV套管空气绝缘距离为840mm。
变压器短路时的电磁力是由于()与()相互作用而产生的。
变压器温升试验时施加负载的方法有三种,其中干式变压器不能采用下列哪种方法进行温升试验()
A:直接负载法
B:相互负载法
C:短路法
500V以下带电作业应注意哪些事项?
启、停强油水冷却器应注意什么问题?
在LC振荡电路,电容器放电完毕的瞬间:()。
A:电场能正在向磁场能转化
B:磁场能正在向电场能转化
C:电场能向磁场能转化刚好完毕
D:电场能正在向电场能转化
变压器高压线端的金属屏蔽罩有馒头形和()两种。
A:单环形
B:双环形
C:三环形
D:多环形
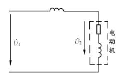
在如图所示的电动机电路中,已知电动机的电阻R=190Ω,感抗X=260Ω,电源电压U=220,频率为50Hz,要使电动机的电压U=180V,求串联电感L。
国标中对未注公差尺寸的公差等级(即旧国标中所称的自由尺寸)在加工时并没有任何限制性的要求。
油浸电力变压器的绝缘为A级,干式变压器的绝缘为()级或H级。
冲击测量系统的误差主要指峰值和波形参数测量误差。()
变压器噪声的主要声源是铁心(由于磁致伸缩)和在某些冷却系统中采用的风扇及潜油泵的噪声。
超声波定位法分为电声法和声声法。()
按照国家标准GB104.2-85规定正常温升限值:油浸式电力变压器顶层油温升为(),线圈平均温升()为()。
何进行“分接开关和操动机构的连接校验”(以MR有载分接开关或长征电器一厂的ZY1有载分接开关为例)?
同一线圈引线之间的绝缘为()。
变压器型号SFPSZ-63000/110代表什么意义?
首页
<上一页
18
19
20
21
22
下一页>
尾页