自考题库
首页
所有科目
自考历年真题
考试分类
关于本站
游客
账号设置
退出登录
注册
登录
出自:计算机科学
“0”的ASCII码为48,“8”的ASCII码为();“A”的ASCII码为65,“E”的ASCII码为()。
半导体EPROM中写入的内容,可以通过()擦除。
A:紫外线照射
B:电信号
C:口令
D:DOS命令
在指令“MOVAX,0”执行后,CPU状态标志位IF的值()
A:为0
B:为1
C:不确定
D:不变
8237芯片是一种高性能的可编程()。
如图所示:下图采用了哪种方法将照片进行了单色处理()
A:图像>调整>阈值
B:图像>调整>色相/饱和度
C:图像>调整>去色
D:滤镜>素描>绘图笔
下列有关Internet中主机域名与主机IP地址的说法,
不正确
的是()。
A:用户可以用主机的域名或主机的IP地址与该主机联系
B:主机的域名和主机IP地址的分配不是任意的
C:主机的域名在命名时是遵循一定规则的
D:用户可以根据自己的情况任意规定主机的域名或IP地址
透视图
数据的()是指根据数据库逻辑结构设计和物理设计的结果将原始数据存放到数据库中去。
A:处理
B:输出
C:结构
D:载入
数值返回运算符有哪几种?简述LENGTH和SIZE的区别。
已知某RAM芯片的引脚中有11根地址线,8位数据线,则该存储器的容量为()字节。若该芯片所占存储空间的起始地址为2000H,其结束地址为()。
下列关于编写功能需求文档建议
不正确
的是()。
A:保持语句和段落的简短
B:用的术语与词汇表中所定义的应该一致
C:采用主动语态的表达方式
D:多使用比较性的词汇
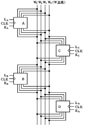
如图所示总线结构的原理图,4个寄存器A,B,C和D,其控制字CON=()
A:W
1
W
2
W
3
W
4
B:L
A
E
A
L
B
E
B
L
C
E
C
L
D
E
D
CLK
C:L
A
E
A
L
B
E
B
L
C
E
C
L
D
E
D
开机启动时,进入CMOS最常用的键是()。
A:End
B:Ctrl
C:Ctrl+Esc
D:Del
Visual Basic使用“工程管理”用来建立一个应用程序的所有文件,一般一个工程至少应含有()
A:标准模块文件和类模块文件
B:工程文件和窗体文件
C:工程文件和类模块文件
D:工程文件和标准模块文件
写出搜索窗口的含义。
时间轴是与()密切相关的一项功能,它可以在Dreamweaver中实现动画的效果。
A:AP Div
B:表格
C:框架
D:模板
在CSS中,可以设置()。
A:字体的样式
B:链接的样式
C:文本框的样式
D:表格的样式
一个16位机,则它的一个字节的长度是()。
A:8个二进制位
B:16个二进制位
C:2个二进制位
D:不定长
体系结构描述有哪些方法?有哪些标准和规范?
将十进制数+60的原码、反码、补码计算出来。
FrontPage不能使用其他的Web服务器。
在Maya中不是所有灯光都可以使用深度贴图阴影,一盏灯光只能使用一种阴影效果。()
“联想”“方正”“清华同方”等都是我国著名的()。
A:芯片供应商
B:磁盘生产商
C:计算机品牌
D:软件开发商
8086/8088CPU内部有一个始终指向堆栈顶部的地址指针是()。
A:P
B:P
C:P
D:X
试比较OSI模型与TCP/IP模型的主要服务方式与实用性,初步探讨其不一致的原因。
用HDLC传输12个汉字(双字节)时,帧中的信息字段占多少字节?总的帧长占多少字节?
WORD中在进行手动替换操作时,选中被替换的文本,之后若按下Del键则()。
A:删除光标处字符
B:删除光标前字符
C:删除所有被选中的内容
D:不发生任何变化
以下不能正确输入结构体成员值的是()。
A:scanf(”%c”,&p->sex)
B:scanf(”%s”,stu.name)
C:scanf(”%d”,&stu.age)
D:scanf(”%f”,p->score)
Weiler-Atherton多边形裁减算法可以处理任何非自相交多边形。
材质编辑器窗口分为3部分,分别为()。
A:材质示例窗
B:材质编辑器工具按钮
C:材质参数控制栏
D:材质应用栏
首页
<上一页
1848
1849
1850
1851
1852
下一页>
尾页