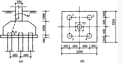
某建筑柱下桩基承台,布置5根沉管灌注桩,如图,桩直径d=500mm,承台高h=1000mm,有效高度h0=900mm,采用C25混凝土(ft=1.27N/mm2)。柱子截面尺寸为500mm×500mm,承台顶面处相应于作用的基本组合值为:轴压力F=2500kN,弯矩M=200kN·m。按《建筑地基基础设计规范》作答。

第1题,共2个问题
(单选题)确定柱对承台的冲切时,承台的抗冲切承载力(kN)最接近下列()项。
A:5250
B:5450
C:5650
D:5850
第2题,共2个问题
(单选题)确定角桩对承台的冲切时,承台的抗冲切承载力(kN)最接近下列()项。
A:2250
B:2150
C:2050
D:1950