自考题库
首页
所有科目
自考历年真题
考试分类
关于本站
游客
账号设置
退出登录
注册
登录
出自:基础考试
在如图所示的电路中,R=1Ω,I
s1
=3A,I
s2
=6A。当电流源I
s1
单独作用时,流过电阻R的电流I′=1A,则流过电阻R的实际电流I值为()A。
A:-1
B:+1
C:-2
D:+2
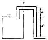
有一引水虹吸管,出口通大气(如图所示)。已知h
1
=1.5m,h
2
=3m,不计水头损失,取动能修正系数α=1。则断面c-c中心处的压强p
c
为:()
A:14.7kPa
B:-14.7kPa
C:44.1kPa
D:-44.1kPa
如图所示,理想气体在Ⅰ→Ⅱ→Ⅲ的过程中,应是()。
A:气体从外界吸热,内能增加
B:气体从外界吸热,内能减少
C:气体向外界放热,内能增加
D:气体向外界放热,内能减少
软式透管扁平率试验中,上下模块之间的间隙为孔径的()
A:1/2
B:1/3
C:1/4
D:1/5
图示为正方形截面等直杆,抗弯截面模量为W,在危险截面上,弯矩为M,扭矩为M
n
,A点处有最大正应力σ和最大剪应力γ。若材料为低碳钢,则其强度条件为:()
A:A
B:B
C:C
D:D
砂土中很少有()
A:土颗粒
B:土孔隙
C:结合水
D:自由水
作用在过梁上的荷载有砌体自重和过梁计算高度范围内的梁板荷载,但可以不考虑高于l
n
(l
n
为过梁净跨)的墙体自重及高度大于l
n
以上的梁板荷载,这是因为考虑了下述哪种作用?()
A:应力重分布
B:起拱而产生的卸载
C:梁与墙之间的相互作用
D:应力扩散
某墙背倾角α为10°的仰斜挡土墙,若墙背与土的摩擦角δ为10°,则主动土压力合力与水平面的夹角为:()
A:20°
B:30°
C:10°
D:0°
圆轴直径为d,剪切弹性模量为G,在外力作用下发生扭转变形,现测得单位长度扭转角为θ,圆轴的最大切应力是:()
A:A
B:B
C:C
D:D
土的抗剪强度指标-般通过()试验获得。
A:三轴压缩
B:直接剪切
C:单向拉伸
D:固结
图a)所示桁架,EA=常数,取图b)为力法基本体系,则力法方程系数间的关系为:()
A:δ
11
=δ
22
,δ
12
>0
B:δ
11
≠δ
22
,δ
12
>0
C:δ
11
≠δ
22
,δ
12
<0
D:δ
11
=δ
22
,δ
12
<0
测得两个角值及中误差为∠A=22°22’10"±8"和∠B=44°44’20"±8"。据此进行精度比较,结论是:()
A:两个角度精度相同
B:A精度高
C:B精度高
D:相对中误差
图示结构用位移法计算时,其基本未知量的数目为:()
A:3
B:4
C:5
D:6
岩体变形试验方法中,钻孔变形试验方法的优点是()
A:设备轻、便于携带
B:可在一个孔中进行多点试验
C:操作简便
D:结果精度高
以下关于数字签名的描述中,错误的是()。
A:数字签名可以利用公钥密码体制实现
B:数字签名可以保证消息内容的机密性
C:常用的公钥数字签名算法有RSA和DSS
D:数字签名可以确认消息的完整性
反映系统误差大小,表明测量结果与真值接近程度的是()。
A:精密度
B:正确度
C:准确度
D:精确度
图示结构受一逆时针转向的力偶作用,自重不计,铰支座B的反力F
B
的作用线应该是:( )
A:F
B
沿水平线
B:F
B
沿铅直线
C:F
B
沿B、C连线
D:F
B
平行于A、C连线
钴的价层电子构型是3d
7
4s
2
,钴原子外层轨道中未成对电子数为:()
A:1
B:2
C:3
D:4
在剪切试验中,若采用对试样施加竖向压力后让试样充分排水,待固结稳定后,再快速施加水平剪应力使试样破坏。这种试验方法属于()
A:快剪
B:固结快剪
C:慢剪
D:固结慢剪
在真空中,可见光的波长范围是:()
A:400~760nm
B:400~760mm
C:400~760cm
D:400~760m
测GCL渗透系数时,饱和、水化和膨胀等需要的时间为()小时。
A:8
B:12
C:24
D:48
在图示4种应力状态中,切应力值最大的应力状态是:()
A:A
B:B
C:C
D:D
图示结构,当支座B发生沉降△时,支座B处梁截面的转角大小为:()
A:A
B:B
C:C
D:D
影响地基承载力因素有()
A:土的重度
B:基础宽度
C:基础埋深
D:上部荷载
E:基础类型
一束自然光从空气投射到玻璃表面上(空气折射率为1),当折射角为30°时,反射光是完全偏振光,则此玻璃板的折射率等于:()
A:1.33
B:
C:
D:1.5
土的压缩性表现的是水的排出。
直剪试验中快剪的试验结果最适用于下列哪种地基?()
A:快速加荷排水条件良好地基
B:快速加荷排水条件不良地基
C:慢速加荷排水条件良好地基
D:慢速加荷排水条件不良地基
挤密砂桩加固地基时其设计布置()
A:仅取决于原地基孔隙率
B:仅取决于加固后地基孔隙率
C:取决于原地基和加固后的地基孔隙率
D:不取决于原地基和加固后的地基孔隙率
塑性材料的下列应力状态中,哪一种最易发生剪切破坏:()
A:A
B:B
C:C
D:D
某化学反应的
<0,当温度升高时,其平衡常数的值将()。
A:不变
B:增大
C:减小
D:无法确定
首页
<上一页
15
16
17
18
19
下一页>
尾页