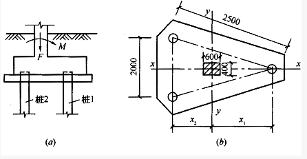
某建筑柱下等腰三桩承台,柱子截面尺寸为400mm×600mm,桩布置及承台尺寸如图所示,柱位于承台的形心位置。承台顶面处相应于作用的基本组合值为:轴压力F=1500kN,弯矩M=300kN·m。按《建筑地基基础设计规范》作答。

第1题,共2个问题
(单选题)由承台形心到承台两腰和底边距离范围内板带的弯矩设计值M1(kN·m)最接近下列()项。()
A:495
B:475
C:455
D:435
第2题,共2个问题
(单选题)由承台形心到承台底边距离范围内板带的弯矩设计值M2(kN·m)最接近下列()项。
A:490
B:450
C:390
D:350