自考题库
首页
所有科目
自考历年真题
考试分类
关于本站
游客
账号设置
退出登录
注册
登录
出自:配电线路工
验收发现18米杆顶部沿线路方向偏移100mm现象,应()
A:向施工单位及工程监理单位了解情况,视情况下达验收结论
B:下达验收不合格结论,要求施工单位矫正
C:下达验收不合格结论,要求施工单位更换
D:下达验收合格结论
配电设施包括()。
A:配电线路、配电变压器
B:开关站、小区配电房
C:移动发电车
D:环网柜、分支箱
E:开闭所、变电所
对神志清醒的触电伤员应使其(),并严密观察呼吸、脉搏等生命指标
A:就地站立
B:就地坐立
C:就地平卧
D:原地走动
变压器着火时,可采用泡沫灭火剂灭火。
作业人员应先确定直线杆分支横担位置,应在距直线横担准线下方()cm处划印
A:45
B:50
C:60
D:70
设备评级原则是:一类设备是本单元内存在缺陷,但不影响安全供电,不威胁人身安全。()
混凝土双杆起立中发现迈步,如何调整?
配电线路的故障有哪些?
什么叫泄漏比距?污秽地区绝缘子泄漏比距最低要求是多少?
变压器台应装设在()附近。
机械连接接头的电阻不应大于等长导线的电阻的()倍。
A:1.2
B:1.3
C:1.4
D:2.5
柱上变压器、配变站、柱上开关设备、电容器设备的接地电阻测量()至少一次。
A:每一年
B:每二年
C:每三年
D:每四年
重负荷和无污染地区1~10kV配电线路,()至少进行一次夜间巡视。
A:每月
B:每半年
C:每年
D:每两年
当白棕绳穿过滑车使用时,应选择轮槽直径不小于白棕绳直径()倍的滑车,以免白棕绳承受过大的附加弯曲应力。
A:10;
B:9;
C:8;
D:7。
基坑施工前的定位应符合以下规定:10kV及以下架空电力线路顺线路方向的位移不应超过设计档距的()。
A:4%;
B:3%;
C:2%;
D:1%。
监护人按操作票顺序逐项发布操作指令,操作人指明拟操作的设备,并进行()设备名称和编号,经监护人核对无误发出“对,执行”后,操作人方可操作。
A: 背诵
B: 复诵
C: 检查
D: 核对
按控制方法分分段器有哪几类?
降压启动的方法有:()、()、()
按空间位置不同,可将焊缝分为()焊缝。
A:平、横、角、对接
B:对接、角、塞、端接
C:平、横、立、仰
D:连续、断续、端接、塞
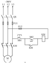
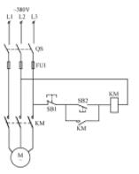
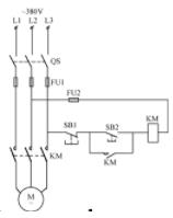
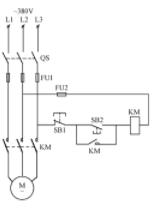
下图所示为电动机具有自锁的正转控制电路图,其中正确的是()。
A:
B:
C:
D:
事故和隐瞒事故责任人员触犯刑律的交由哪个部门处理()
A:司法机关
B:公司安监部
C:检察院
D:地方安全监督管理部门
电力网由所有输配电线路组成。
配电线路带电作业时,作业人员与带电体保持规程所规定的安全距离,戴绝缘手套和穿绝缘靴,通过绝缘工具进行作业的方式叫绝缘手套作业法。
为防止洪灾事故应做到哪些工作?
正弦交流电压任一瞬间所具有的数值叫瞬时值。
向公用电网注入谐波电流或在公用电网中产生谐波电压的电气设备叫()。
A:谐波;
B:基波;
C:畸变率;
D:谐波源。
一般施工企业,都要建立健全的质量管理体系,形成三级质量管理制,即()三级质量责任制。
A:上层、中层、基层
B:公司、工程处和工地
C:工程处、施工队和班组
D:公司、施工队和个人
红外线测温仪能将辐射能量转换为数字显示,是因为其内部有()。
A:光电转换器
B:驱动电路
C:变压器
D:压力传感器
为防止二次侧短路烧毁互感器,在仪用互感器的二次侧()。
A:装设熔断器
B:不装熔断器
C:电流互感器装熔断器而电压互感器不装
D:电压互感器装熔断器而电流互感器不装
操作开始时间,值班员接到当值值班调度员()下达的操作命令后填写操作开始时间。
A: 值班负责人
B: 工作负责人
C: 操作负责人
D: 监护负责人
首页
<上一页
15
16
17
18
19
下一页>
尾页