自考题库
首页
所有科目
自考历年真题
考试分类
关于本站
游客
账号设置
退出登录
注册
登录
出自:铁路通信工
CC08ASL板为()
A:电源板
B:风扇板
C:普通模拟用户板
D:主控板
检修或更换机车天线、馈线时,应按安全技术规则有关规定采取必要的措施,严禁机车运行中在()作业。
BSC主要功能控制基站子系统与()之间的数据通信、信道管理和扩容等。
A:BTS
B:MSC
C:TRAU
D:MS
选用扬声器应依据()、()、额定功率、及_失真度等主要参数。
在一个充气段内,地区电缆在20。C时,日常保持气压,管道和直埋电缆为(),≤()开始补气;架空电缆为(),≤()开始补气;经过5天后,允许下降范围()。
LBJ列尾司机控制盒向车站电台输出的调制信号电平为()。
A:245(1±10%)mV
B:251(1±10%)mV
C:267(1±10%)mV
D:270(1±10%)mV
无线调度命令传送系统机车装置不能向车站发送调车请求。
用一台中央处理器负责对整个系统的运行工作进行直接控制并执行交换系统全部功能的方式叫()。
当CIR上电启动获取IP地址后,最长等待3分钟或()分钟内卫星定位信息变为有效。
A:4
B:5
C:3
D:2
保护接地是指将直流设备正常时不带电的金属部分与()作良好的接地,以保证人身的安全。
下列关于北电BTS9000DDM模块的功能描述错误的为()。
A:为接收链接提供前台低噪音放大
B:TX和RX耦合、滤波
C:将收到的信号解密、均衡、然后解调
D:TX/RX隔离
标称对数为50的电缆芯线,中心层外有()层。
A:1
B:2
C:3
D:4
CIR工作在手动方式时,仍对卫星定位单元输出的公用位置信息中工作模式的变化进行处理。
通信(电务)段应制定障碍处理程序,当铁路专用无线通信设备发生障碍时,维护人员应及时准确地做出判断,迅速组织修复,努力缩短障碍时间。对影响行车安全的设备必须采取倒、代等应急措施,减少影响程度。
电气化铁道区段电缆引入室内时其金属护套与相连接的室内金属构件间应进行绝缘。引入通信站时,应将其金属护套的室内与室外部分绝缘,绝缘阻值不应小于1000MΩ。
光在不同介质中的传播速度()
生产经营单位提供给从业人员的劳动防护用品,应当()。
A:爱护保管好
B:正确佩戴使用
C:防止遗失
D:可以不用
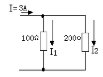
图中的电流I1、I2应为()。
A:I1=1A,I2=2A
B:I1=2A,I2=1A
C:I1=I2=1A
D:I1=I2=3A
公用电信网之间、公用电信网与专用电信网之间的网间互联,由网间互联双方根据本地区有关网间互联管理规定进行互联协商,并订立网间互联协议。
专用出入库检测设备,用来对CIR电台进行出入库检测,同时可以对检测结果进行()、检索和打印。
A:解锁
B:保存
C:报警
D:删除
接入网可以被看作本地交换机到用户终端设备之间的部分,主要完成()项功能。
A:交换、复用和传输功能
B:交叉连接、复用和交换功能
C:交叉连接、复用和传输功能
D:交叉连接、交换和传输
光缆中的油膏主要起屏蔽作用。
无线列调系统中有中转通话功能的设备是()
A:车站台
B:调度台
C:机车台
铁路通信光、电缆施工存在哪些常用防护方式?
HY920B录音仪在待机状态时指示灯为()状态。
A:绿色
B:红色
C:红绿交替闪烁
D:灭灯
一般电话机发出的信号功率是()。
A:0毫瓦
B:1毫瓦
C:10毫瓦
D:12毫瓦
ADSL能够向终端用户提供接近()M的下行传输速率和1M的上行传输速率,比常见的模拟调制解调器快的多。
下列选项中不是SDH日常维护项目的是()。
A:设备运行状态巡视
B:网元和单板状态检查
C:机架表面清扫检查
D:时钟状态检查
通信系统所占的频带愈宽,传输信息的能力愈小。
CTT2000L/M数调分系统中DTP板运行指示灯()灯亮表示2M2无码流
A:S1
B:S0
C:M
D:都不是
首页
<上一页
166
167
168
169
170
下一页>
尾页