自考题库
首页
所有科目
自考历年真题
考试分类
关于本站
游客
账号设置
退出登录
注册
登录
出自:制冷工
氨系统的高压储液桶,液面应相对稳定,压力不超过2MPa。
KFR-35GW/U(DBPZXF)空调室外机冷媒标准注入量()克。
A:750
B:2850
C:1350
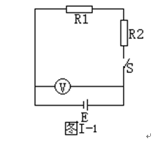
图I—1所示电路,在开关闭合前后,电压表的读数是一样的。
氨制冷系统中,压力试验的压力定为1.8Mp的设备包括()。
A:蒸发器
B:冷凝器
C:氨液分离器
D:盐水槽
据供液方式不同,蒸发器分以下几类()
A:满液式
B:非满液式
C:循环式
D:淋激式
压缩机机轴封温度不应超过()。
A:50
B:60
C:70
D:80
()的数字式控制仪表,用运算放大器来实现有关功能。
A:不带微处理器
B:准确度
C:借助软件
D:分辨率
冷藏箱()的作用是在按钮或其他继电器的控制下接通或断开负载的主电路,供频繁启动和控制电动机或电器用。
遇明火会发生爆炸的制冷剂是()。
A:R12
B:R13
C:R22
D:R717
空调室内机多元光触媒的使用寿命为8年。
引起热力膨胀堵赛的原因是()。
A:感温系统内的充注物泄露
B:进口端的小过滤器堵塞
C:出口端的小过滤器堵塞
D:冰塞或油堵塞
在有腐蚀性的气体的情况下,应选择()V照明。
A:24
B:36
C:220
D:360
平行布置管道上的阀门,其中心线尽量取齐。手轮间的净距不应小于()m。
A:100
B:200
C:300
D:400
要使R22的蒸发温度为5℃,其绝对压力应维持在()kg/m
2
A:4.8
B:5.8
C:6.8
D:6.5
在单级压缩制冷循环中,当冷凝温度T
K
不变时,制冷量Q
0
随蒸发温度T
0
的升高而()。
压缩机吸入汽缸内的气体参数称为吸气温度。
单级吸收式制冷系统由哪几部分组成?其中溶液泵的作用是什么?
给海尔KFR-35GW/H5空调器制冷系统内追加制冷剂时,必须应在()进行填充。
A:停机或关机状态下
B:制冷状态下外机三通阀工艺口
C:制热状态下外机三通阀工艺口
空调的连接管路气管为φ15.88mm,采用内气排空时间为10秒。
(氨系统的供液方式)有哪几种?
下列哪一项是家用空调器(冷气机)中压缩机的主要功用()
A:压缩液态制冷剂
B:制造冷气
C:压缩冷气
D:压缩和循环制冷剂
R22制冷剂的化学分子式。
活塞式制冷压缩机的润滑方式主要有压力润滑和()两种。压力润滑又有()和()两种方式。
制冷系统为什么要试漏和检漏?
低压循环贮液器又称为低压循环()。
A:贮液桶
B:贮液罐
C:贮液缸
D:贮液箱
融霜过程中,被冷凝的液体工质流向()。
A:贮液器
B:低压排液桶
C:低压循环桶
D:冷凝器
()压力容器主要用于储存、盛装气体、液体、液化气体等介质。
A:反应
B:换热
C:分离
D:储存
风机盘管水系统形式有()。
A:双管式
B:三管式
C:四管式
D:五管式
首次接触的新型设备,应先阅读产品的说明书,了解其安全防护方面的要求。
R12、R22、R717这三种常用的制冷剂,哪一种对臭氧层破坏作用最大,哪一种无破坏作用?
首页
<上一页
158
159
160
161
162
下一页>
尾页