自考题库
首页
所有科目
自考历年真题
考试分类
关于本站
游客
账号设置
退出登录
注册
登录
出自:计算机科学
国标码是一种汉字编码。
国家兴旺发达的重要标志之一是()。
A:医疗
B:农业
C:交通
网页上的默认主页文件一般有()
A:index.html
B:index.asp
C:default.asp
D:conn.asp
下列设备,不能作为多媒体操作控制设备的是()。
A:鼠标器和键盘
B:操纵杆
C:触摸屏
D:话筒
某DWDM长途传输设备扩容工程跨越多省,由多家施工单位施工。某施工单位于9月9日与建设单位签订了其中20个站安装及调测工作的施工合同,合同规定完工日期为时12月10日,工程为包工不包料的承包方式。8月28日施工单位拿到施工图设计,8月30日参加设计会审。施工单位到现场施工时,发现施工图设计中部分安装机架的位置已装有机架;施工中多个站点的部分设备迟迟不能到货;质检员检查时发现尾纤布放交叉较严重;多单位施工时系统测试配合不好。工程最终于次年3月30日完成初验。
第1题,共2个问题
(简答题)施工单位应从哪几个方面分析影响本工程进度的因素?
第2题,共2个问题
(简答题)本工程影响进度的因素有哪些?
以下哪些是MSF的管理准则?()
A:资金管理准则
B:风险管理准则
C:就绪管理准则
D:项目管理准则
PowerPoint2003视图中,不可以用拖动方法改变幻灯片顺序的是()、()
计算机硬件系统是由()、输入设备和输出设备等部件组成的。
A:主机
B:控制器
C:键盘
D:运算器
E:显示器
F:存储器
试比较逻辑移位和算术移位。
下面图形中偏移后图形属性没有发生变化的是?将当前图形生成4个视口,在一个视口中新画一个圆并将全图平移,其他视口的结果是:()。
A:其他视口生成圆也同步平移
B:其他视口不生成圆但同步平移
C:其他视口生成圆但不平移
D:其他视口不生成圆也不平移
要想保存具有映射关系的数据,可以使用以下哪些集合?()
A:ArrayList
B:TreeMap
C:HashMap
D:TreeSet
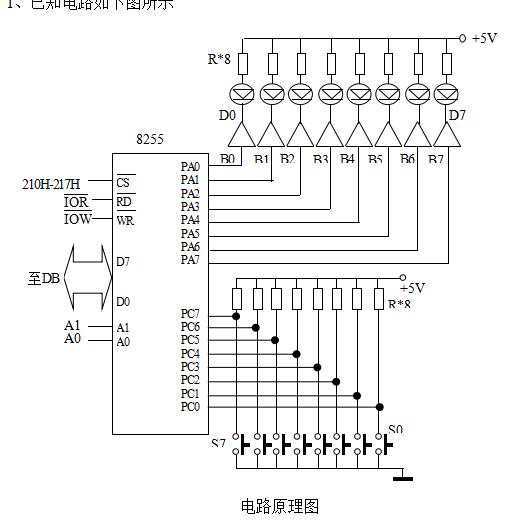
已知电路如下图所示
有关程序段如下:
试回答以下问题: 1)当有按键按下时,8255的PC口相应位输入的是高电平还是低电平? 2)根据电路的接法,8255的地址是否有重叠?为什么? 3)电路中8255的PA口和PC口工作在什么方式? 4)本电路及程序完成什么功能? 5)根据程序的写法,如何操作才能退出本程序? 6)标号为B0至B7的元件是什么元件?其作用是什么? 7)如果本电路不用8255,则PA口和PC口应分别用具有什么样功能的芯片来代替?
以下()协议是文件传输的最佳选择。
A:HTTP
B:E-mail
C:FTP
D:FPT
用基数权重展开公式可以将R进制数转换为10进制数。
在可变分区式内存管理中,倾向于优先使用低址部分空闲区的算法是()。
A:最佳适应算法
B:最坏适应算法
C:首次适应算法
D:循环适应算法
在Flash的运动补间动画中,使对象按照所指定的路径运动,并随着路径的变化而调整自身的方向,可以通过属性面板中的()参数设置。
A:调整到路径
B:同步
C:对齐
D:旋转
在单元格中输入=Average(10-3)-PI()则显示。
A:大于0的值
B:小于0的值
C:等于0的值
D:不确定的值
在UML的需求分析建模中,()模型图必须与用户反复交流并加以确认。
A:配置
B:用例
C:包
D:动态
下列有关旋转工具(Rotate Tool)的使用哪些是
不正确
的()
A:如果要精确控制旋转的角度,可以打开旋转工具(Rotate Tool)对话框,在Angle(角度)后面的数字框中输入旋转的角度值即可
B:使用旋转工具(Rotate Tool)旋转图形时,旋转基准点就是图形的中心点,是不可以改变的
C:使用旋转工具(Rotate Tool)旋转图形时,旋转基准点的位置是可以改变的
D:在使用旋转工具(Rotate Tool)进行旋转图形的过程中,按住Option(MaC./Alt(Windows)键可以同时进行图形的复制
总平面图主要表明新建房屋所在基地有关范围内的总体布置。
下面对结构数据类型的叙述中,()是错的。
A:结构变量可以在说明结构类型后定义,也可在说明结构时定义
B:结构可由若干个成员组成,各成员的数据类型可以不同
C:定义一个结构类型后,编译程序要为结构的各成员分配存储空间
D:结构变量的各成员可通过结构变量名和指向结构变量的指针引用
无条件传送方式下,各外设之间也是并行工作。
简述微处理器的内部结构。
下面关于Adobe Illustrator 9.0的界面描述正确的是()
A:启动Adobe Illustrator9.0后,软件就会自动建立一个大小为A4,色彩模式为RGB的新文件
B:创建新文件时,在New Document(新文件)对话框中只有RGB和CMYK两种色彩模式可以设定
C:创建新文件时,在New Document(新文件)对话框中可任意设定文件的大小,并且输入的时候数字及度量单位可以同时输入
D:如果工具箱中某工具图标的右下角有黑色小三角,表示还有隐含的工具
请图示电子邮件工作过程?
8255A工作于方式2时,可以采用()方式和()方式与微处理器联系。
()定义了网络空间的规则,为其网络争霸寻求理论依据。
A:日本
B:德国
C:美国
D:英国
您向用户AMY授予了CREATE.SESSION权限。您授予给AMY的是哪种类型的权限()
A:系统权限
B:对象权限
C:用户权限
D:访问权限
说明SRAM、DRAM、MROM、PROM和EPROM的特点和用途。
Delta变换UPS当市电可用时,主逆变器和Delta逆变器只对输入电压与输出电压的差值相关的功率进行变换和调整,逆变器承担的最大功率较小,所以负荷率较低,功率裕量很大;过载能力很强,负载电流峰值因数大。
首页
<上一页
1396
1397
1398
1399
1400
下一页>
尾页