自考题库
首页
所有科目
自考历年真题
考试分类
关于本站
游客
账号设置
退出登录
注册
登录
出自:电气工程公共基础
请问单色像差有哪几种?当系统中分别存在不同的单色像差时,对系统成像会有什么影响?
水的密度为1000,运动粘度为,其动力粘度为()。
A:Pa·s
B:Pa·s
C:Pa·s
D:Pa·s
所有的流体都具有粘性。
根据热力学第二定律判断下列哪种说法是正确的。()
A:热量能从高温物体传到低温物体,但不能从低温物体传到高温物体
B:功可以全部变为热,但热不能全部变为功
C:气体能够自由膨胀,但不能自动收缩
D:有规则运动的能量能够变为无规则运动的能量,但无规则运动的能量不能变为有规则运动的能量
理想气体向真空作绝热膨胀,则()。
A:膨胀后,温度不变,压强减小
B:膨胀后,温度降低,压强减小
C:膨胀后,温度升高,压强减小
D:膨胀后,温度不变,压强增加
变压器绕组由几根导线并绕时,为什么并联的导线要换位?
减小铁心硅钢片的厚度,能够降低变压器的空载损耗是因为薄硅钢片的磁滞损耗更小.( )
三相芯式三柱铁心的变压器()。
A:ABC三相空载电流都相同
B:ABC三相空载电流都不相同
C:B相空载电流大于AC相
D:B相空载电流小于AC相
使用安全带是系在()。
A:腰部
B:腿部
C:臀部
D:肩部
对于定速泵来讲,其流量增加,扬程必然()
A:降低;
B:增加;
C:不变;
D:不确定
用例的实现细节不会在中描述。()
A:用例说明
B:用例图
C:活动图
D:顺序图
在A/D转换器电路中,若输入信号的最大频率为10kHz,则取样脉冲的频率至少应大于()kHz。
A:5
B:10
C:20
D:30
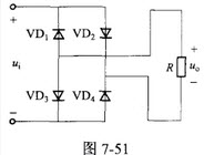
图7-51所示电路中,ii=10sinωV,二极管VD2因损坏而断开,这时输出电压的波形和输出电压的平均值为()。
A:
B:
C:
D:
当人体触电时间越长,人体的电阻值( )。
A:变大
B:变小
C:不变
为了要把工作站或服务器等智能设备联入一个网络中,需要在设备上插入一个()。
A:网卡
B:网关
C:网桥
D:网间连接器
下列触发器中,没有约束条件的是()。
A:基本RS触发器
B:主从RS触发器
C:同步RS触发器
D:边沿D触发器
下列属于物联网的技术体系架构的是()。
A:感知控制层
B:网络传输层
C:交付服务层
D:交付成果
设x1,…,X是取自总体X的容量为n的样本.已知总体X服从参数为p的二点分布,则等于().
A:np(p)
B:(n-1)p(p)
C:np
D:np2
某建设项目期初贷款1000万元,建设期为3年,按8%复利计息。则建设期贷款利息为()万元。
A:213.06
B:240
C:259.71
D:268.61
组合逻辑电路中输入信号的变化传输到电路各级集成门时,在时间上有先有后,这种先后所形成的时差称为竞争,竞争一般分为()。
A:冒险竞争
B:安全竞争
C:功能竞争
D:逻辑竞争
干燥的电工纸板的介电系数为()。
A:1.1~1.9;
B:2.5~4.0;
C:4.0~5.0;
D:5.0~6.0。
下列物质的用途与该物质的物理性质有关的是()
A:用硫酸除去金属表面的铁锈
B:用氧气炼钢、炼铁
C:用氢气作高能燃料
D:用干冰进行人工降雨
若一个10位二进制A/D转换器的基准电压VREF=—10.24V,则当输入为2.56V时,结果(二进码)为()。
A:0100000000
B:1100000000
C:1000000000
D:0100000010
电源电压为直流110V,现在需要一只80W的灯泡供给照明,但车间只有一些电压为220V,功率为40、60、100W的应该怎样并联?
OSI参考模型将网络协议分为()。
A:4层
B:5层
C:6层
D:7层
外施工频耐压试验时试验电压可以从被试品的一端测量也可以从试验变压器的低压折算得出。()
已知R、S是与门构成的基本RS触发器的输入端,则约束条件为()。
A:RS=0
B:R+S=I
C:RS=l
D:R+S=0
以下四种转换器,()是A/D转换器且转换速度最高。
A:并联比较型
B:逐次逼近型
C:双积分型
D:施密特触发器
一台计算机要连入Intemet,必须安装的硬件是()。
A:调制解调器或网卡
B:网络操作系统
C:网络查询工具
D:WWW浏览器
下列选项中,哪一项不是云计算的特点()。
A:虚拟化
B:高可靠性
C:超小规模
D:高可扩展性
首页
<上一页
136
137
138
139
140
下一页>
尾页