自考题库
首页
所有科目
自考历年真题
考试分类
关于本站
游客
账号设置
退出登录
注册
登录
出自:电气工程公共基础
消色
等晕成像
绝缘油试验属于()。
A:例行试验
B:特殊试验
C:型式试验
CMOS漏极开路门的特点有()。
A:输出MOS管的漏极是开路的
B:可以实现线与功能
C:可以用来实现逻辑电平转换
D:带负载能力强
工信部披露的公开信息显示,中国物联网在十二五期间将重点发展十大应用领域、四大核心技术,其中四大核心技术包括()、系统和测验检测、芯片中间件集成模块及设备、工程实施服务开发及系统运输。
A:RFID芯片
B:传感器
C:核心路由器
D:网络设备
作用在一个刚体上的两个力F1、F2,满足F1=-F2的条件,则该二力可能是()。
A:作用力和反作用力或一对平衡的力
B:一对平衡的力或一个力偶
C:一对平衡的力或一个力和一个力偶
D:作用力和反作用力或一个力偶
方程z2-x2-y2=0所表示的曲面是().
A:单叶双曲面
B:双叶双曲面
C:旋转双曲面
D:圆锥面
由曲线y=3-x2与直线y=2x所围成的图形的面积是().
A:11/3
B:22/3
C:32/3
D:86/3
下列选项中,哪一项不是非语言沟通()。
A:身体动作
B:空间和距离
C:眼神和信息
D:电话沟通
GB1094.3-2003标准规定,带分接绕组的变压器,当分接位于绕组中性点附近时,如制造厂与用户无其它协议,中性点端子的冲击试验应选择在()。
A:最大分接
B:最小分接
C:额定分接
设A,B都是n阶方阵,下列等式
不正确
的是().
A:(AB.T=ATBT
B:D.(A-1=B-1A-1
机房的内部防雷采取屏蔽、()、合理布线或防闪器、过电压保护等技术措施。
A:多点接地
B:单点接地
C:等电位连接
D:专用接地
设A,B是n阶方阵,下列命题正确的是().
A:若A,B都是可逆阵,则A+B也是可逆阵
B:若A+B是可逆阵,则A、B中至少有一个是可逆阵
C:若AB不是可逆阵,则A、B也都不是可逆阵
D:若ATA=E,则
设a,b均为向量,下列命题中错误的是().
A:a∥b的充分必要条件是存在实数λ,使b=λa
B:a∥b的充分必要条件是a×b=0
C:a⊥b的充分必要条件是a·b=0
D:D.a⊥b的充分必要条件是(a+·(a-B.=
为什么夜间行车驾驶室里一般不开灯?
两图形分别如图所示,图中尺寸a和d分别相等,则两图形对各自形心轴y、z的轴惯性矩之间的关系为()。
A:
B:
C:
D:
在计算机中,一条指令代码由操作码和()两部分组成。
A:操作数
B:控制符
C:指令码
D:运算符
倍率色差
油校隔膜密封的原理是什么?
下列属于无效合同处理方法的是()。
A:返还财产
B:折价补偿
C:按照责任赔偿损失
D:追缴财产
晶体三极管用于饱和时,应使其发射结、集电结处于()
A:发射结正偏、集电结反偏
B:发射结正偏、集电结正偏
C:发射结反偏、集电结正偏
D:发射结反偏、集电结反偏
白光光学处理
有关项目的生命周期的说法哪些正确()。
A:项目阶段一般按顺序首尾衔接
B:人力投入水平和费用,开始低,随之增高,最后收尾时又迅速下降
C:项目执行阶段投入人力和费用最高,所以此时项目干系人对项目影响力最强
D:变更计划和纠正失误的代价通常与日俱增
变压器的副端是通过()对原端进行作用的。
在标准状态下,若氧气(视为刚性双原子分子)和氦气的体积之比V1/V2=1/2,则其内能之比E1/E2为()。
A:3/10
B:1/2
C:5/6
D:5/3
棱镜的偏向角
WiFI全称WirelessFidelity,又称为()。
A:802.16标准
B:802.11b标准
C:802.12a标准
D:802.12b标准
零序保护的最大特点( )。
A:只反映接地故障
B:反映相间故障
C:反映变压器的内部
D:线路故障
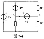
电路如图7-4所示,已知I=1A,Us为()V。
A:-1
B:-3
C:2.4
D:4
泰伯效应(自成像)
首页
<上一页
134
135
136
137
138
下一页>
尾页