自考题库
首页
所有科目
自考历年真题
考试分类
关于本站
游客
账号设置
退出登录
注册
登录
出自:继电保护工
绘图题:画出检定同期重合闸交流电压回路图。
在11型微机保护中为防止()回路断线导致零序保护误动作,而设置了3Uo突变量闭锁。
A:电压互感器
B:电流互感器
C:控制电源
D:PT开口三角回路
备自投的时延应与继电保护开关三相跳闸重合闸的时延配合,避免()。
A:在重合过程中自投备用电源
B:在重合成功后自投备用电源
C:在重合失败后自投备用电源
D:以上均不正确
同一电压等级下的同一有名值阻抗,分别折算到基准容量为100MVA、1000MVA时的标么值,()。
A:基准容量为100MVA时的标么值大
B:基准容量为100MVA时的标么值小
C:两种情况下的标么值相等
D:两种情况下的标么值大小不确定
器并灭磁
新设备验收时,二次部分应具备的图纸、资料有()。
A:应具备装置的原理图
B:二次回路安装图
C:电缆敷设图
D:电缆编号图
E:断路器操作机构二次回路图,
F:电流、电压互感器端子箱图及二次回路部分线箱图
G:要有完整的成套保护、自动装置的技术说明书
H:要有完整的断路器操作机构说明书
I:要有完整的电流、电压互感器的出厂试验报告
以下()报文是智能变电站过程层网络中应用的报文类型。
A:GOOSE
B:SMV
C:MMS
D:TCP
智能化保护装置通信模型一般设置下列()总信号。
A:保护动作
B:装置故障
C:装置告警
D:控制回路断线
对只有两回线和一台变压器的变电所,当该变压器退出运行时,可不更改两侧的线路保护定值,但此时,必须要求两回线相互间的整定配合有选择性。
零序电流保护的整定值为什么不需要避开负荷电流?
一个半断路器接线方式的断路器失灵保护中,反映断路器动作状态的电流判别元件应采用()。
A:单个断路器的相电流
B:两个断路器的和电流
C:单个断路器三相电流之和
D:单个断路器的负序电流
中间继电器在继电保护中主要实现()。
A:启动保护
B:增加触点数量和触点容量
C:动作延时
D:发出动作信号
智能变电站中通信平台标准化体现为通信协议使用()标准。
A:IEC61850
B:IEC61970
C:IEC60870-5-103
D:IEC61869
()负责数字化变电站的运行监督管理。
A:广东电网公司电力调度通信中心
B:广东电网公司电力科学研究院
C:广东电网公司生产技术部
D:以上均不正确
已知母线上所有连接线路CT变比均采用2400/5时,母线将向连接线路提供的最大短路电流Ik.max约为28kA,那么在作电流互感器10%误差曲线试验时,母线差动保护的一次电流倍数m应取多少?(k取1.2,请取整数)
方向圆特性阻抗元件整定时,应该以()角度通入电流电压。
A:以给定的线路阻抗角
B:以通过试验得到的阻抗灵敏角
C:因阻抗定值由电抗值决定,因此固定90°角
继电保护灵敏性是指继电保护对设计规定要求动作的故障及异常状态能够可靠地动作的能力。
来自电压互感器二次侧的4根开关场引入线(Ua、Ub、Uc、Un)和电压互感器三次侧的2根开关场引入线(开口三角的UL、Un)中的2个零相电缆Un,()。
A:在开关场并接后,合成1根引至控制室接地
B:必须分别引至控制室,并在控制室接地
C:三次侧的Un在开关场接地后引入控制室N600,二次侧的Un单独引入控制室N600并接地
D:在开关场并接接地后,合成1根后再引至控制室接地
发电机调速系统的频率静态特性
接地方向阻抗继电器中,目前大多使用了零序电抗继电器进行组合,其作用是()。
A:保证正-反向出口接地故障时,不致因较大的过渡电阻而使继电器失去方向性
B:保证保护区的稳定,使保护区不受过渡电阻的影响
C:可提高保护区内接地故障时继电器反应过渡电阻的能力
D:躲过系统振荡的影响
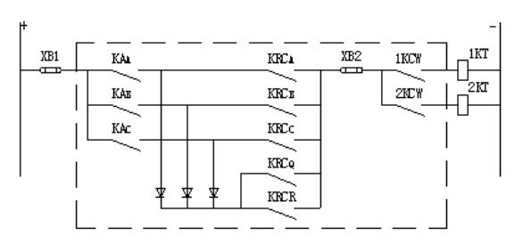
图是常规接线的双母线接线的断路器失灵保护起动回路图,其中KA
A
、KA
B
、KA
C
是电流继电器接点,KRC
A
、KRC
B
、KRC
C
是分相跳闸继电器,KRC
Q
、KRC
R
为三相跳闸继电器。
验收完成后,各专业验收实施班组整理、填报资料和现场设备的验收文档并按()要求进行保存。问题及整改计划汇总经部门本专业管理人员审核。
A:《广东电网公司电网工程资料电子化移交管理规定》(试行)
B:《广东电网公司地区供电局设备资料管理标准》
C:《工程竣工验收申请表》
D:以上均不正确
电流互感器容量大表示其二次负载阻抗允许值大。
五次谐波电流的大小或方向可以作为中性点非直接接地系统中,查找故障线路的一个判据。
在纵联保护电力载波高频通道完好的情况下,高频信号能否可靠传送到对侧,完全取决于高频电缆与输电线路之间的阻抗是否匹配。
报告触发条件TiggerConditions包括()。
A:dchg
B:qchg
C:IntgPd
D:FCDA
在大接地电流系统中,变压器中性点接地的数量和变压器在系统中的位置是综合考虑变压器的(),降低()电流,保证()可靠动作等要求而决定的。
设线路每公里正序阻抗Z1为0.2Ω/km,保护安装点到故障点的距离L为25km,对采用线电压相电流的接线方式的距离保护中的阻抗继电器,求在保护范围内发生三相短路时其测量阻抗。(设nTV=1nTA=1)
制定部检周期计划时,设备运行维护单位可视装置的电压等级、运行工况、运行环境与条件,适当增减其检验期限。()
采用单相重合闸时应考虑那些问题?
首页
<上一页
134
135
136
137
138
下一页>
尾页