自考题库
首页
所有科目
自考历年真题
考试分类
关于本站
游客
账号设置
退出登录
注册
登录
出自:电气工程公共基础
10把钥匙中有3把能打开门,今任取两把,那么能打开门的概率是()。
A:
B:
C:
D:
根据热力学第二定律判断,以下结果中正确的是()。
A:功可以全部转换为热,但热不能全部转换为功
B:热可以从高温物体传到低温物体,但不能从低温物体传到高温物体
C:不可逆过程就是不能向相反方向进行的过程
D:一切自发过程都是不可逆的
菲涅耳衍射
当555定时器2脚和6脚输入端的电压都在1/3VCC和2/3VCC之间时,555输出()。
A:高电平
B:低电平
C:高低电平都有可能
D:无法确定
有两只干净的玻璃杯,一只盛满不含气泡、杂质、颜料的纯净水,一只是空的,上面盖有盖子,你怎样用眼睛来判断哪只杯子里面有水?
下列变化中没有新物质生成的是()
A:美酒飘香
B:煤气爆炸
C:生铁百炼成钢
D:铜器锈蚀变绿
通过一块两表面平行的玻璃板去看一个点光源,则这个点光源显得离观察者()。
A:远了
B:近了
C:原来位置
PLD的设计方法主要有()。
A:积木式
B:模块式
C:自下而上式
D:自上而下式
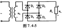
如图7.4-5所示整流电路,设其非故障状态下的输出电压uo的平均值Uo=18V,若二极管D1因损坏而断开,则输出电压uo的波形及其平均值Uo为()。
A:
B:
C:
D:
设某种动物有出生起活20岁以上的概率为80%,活25岁以上的概率为40%.如果现在有一个20岁的这种动物,问它能活25岁以上的概率()
A:0.25
B:0.5
C:0.6
D:0.75
设3阶方阵A的行列式|A|=2,则等于().
A:5/2
B:27/2
C:27
D:9/2
迂回相位编码方法?
变压器声级测量时轮廓线是怎样规定的?
真空干燥变压器为什么要充分预热再抽真空?为什么升温速度不宜过快?
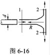
如图6-16所示,水从直径相同的喷嘴喷出,打在平板上,流速分别为1m/s、2m/s,两种情况下,对板的冲击力之比为()。
A:1:1
B:1:2
C:1:4
D:1:8
用原码输出的译码器实现多辅出逻辑函数,需要增加若于个()。
A:非门
B:与非门
C:或门
D:或非门
绝缘装配试验时不进行试验是()。
A:电压比试验
B:电阻测量
C:铁心耐压
D:绕组并联
10kV纯瓷套管出厂和交接、大修工频耐压试验标准是()。
A:42kV、1min
B:22kV、1min
C:10kV、1min
D:15kV、1min
变压器的负载损耗与试验频率无关。
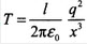
质量为m的两小球带等量同号电荷g,现用长为ι的细线悬挂于空中O点,如图7-1所示,当小球平衡时,测得它们之间的水平距离为x,此时绳子的张力为()。
A:
B:
C:
D:
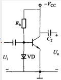
下列各电路能正常放大交流信号的是()。
A:
B:
C:
D:
共集电极放大电路的负反馈组态是()。
A:压串负
B:流串负
C:压并负
进行外施耐压试验时,升压应从()合闸。
A:1/3耐受电压以下
B:耐受电压下冲击合闸
C:1/2耐受电压
D:任意电压下
简述如何检查和清洗MR有载分接开关的切换开关。
基数R=8的数制为八进制,下列数码属于八进制数的数码是()。
A:0
B:5
C:8
D:9
数据库的特点主要有()。
A:数据结构化、共享性高、独立性弱、冗余度低
B:数据结构化、共享性高、独立性强、冗余度低
C:数据结构化、共享性高、独立性弱、冗余度大
D:数据结构化、共享性高、独立性强、冗余度大
衍射屏
Internet网上的服务都是基于某种协议,Web服务是基于()协议。
A:SNMP
B:SMTP
C:HTTP
D:TELNET
已知某理想气体的压强为p,体积为V,温度为T,k为玻耳兹曼常量,R为摩尔气体常量,则该理想气体单位体积内的分子数为()。
A:pV/(kT)
B:p/(kT)
C:pV/(RT)
D:p/(RT)
损耗系数
首页
<上一页
122
123
124
125
126
下一页>
尾页