自考题库
首页
所有科目
自考历年真题
考试分类
关于本站
游客
账号设置
退出登录
注册
登录
出自:电气试验工
介质的绝缘电阻随温度升高而减少,金属材料的电阻随温度升高而增加。()
试验变压器的输出电压波形为什么会畸变?如何改善?
若电气防误闭锁装置,闭锁逻辑完备,满足“五防”功能的要求,同时电磁锁能正常使用和运行,则该装置视为一类设备。()
直流双臂电桥倍率选择开关有×1、×10
-1
、×10
-2
、×10
-3
、×10
-4
五档,如测量0.04Ω的电阻,应选择()档。
A:×1
B:10
-1
C:10
-2
D:10
-3
在直流电压作用下的棒板间隙,棒极附近的电场强度最大。
因雷击架空线路避雷线、杆顶形成作用于线路绝缘的雷电反击过电压,与()有关。
A:雷电参数
B:杆塔形式
C:高度
D:接地电阻
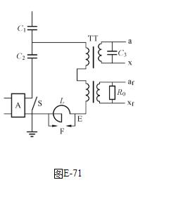
图E-71为220kV电容式电压互感器的原理接线图。画出使用QS1型西林电桥,采用自激法测量主电容C1的介损、电容量和分压电容C2的介损、电容量的试验接线图。
电缆绝缘电阻与()有关。
A:温度
B:截面
C:长度
D:湿度
交流无间隙金属氧化物避雷器的额定电压是指()。
A:其安装地点的电网额定相电压;
B:其安装地点的电网额定线电压;
C:施加到避雷器端子间的最大允许工频电压有效值,它表明避雷器能在按规定确定的暂时过电压下正确地工作,但它不等于电网的额定电压;
D:允许持久地施加在避雷器端子间的工频电压有效值。
通过测量电阻性电流IR与电容性电流IC之()可以判断绝缘介质在交流电压作用下的损耗情况。
A:和
B:差
C:比
D:积
接地装置在设计寿命内,其开挖检查的周期为()。
A:1年
B:3年
C:6年
D:10年
油浸式35kV油浸式串联电抗器的“预试”项目是()
A:绝缘电阻
B:绕组直流电阻
C:阻抗测量
D:绝缘油试验
E:绕组介损
F:红外检测
在Windows98中()是访问某个常用项目的捷径。
A:文件夹
B:目录
C:图标
D:快捷方式
解决放大器截止失真的办法是()。
A:增大上偏电阻
B:减小集电极电阻RC
C:减小上偏电阻
D:增大RC
交流无间隙金属氧化物避雷器的额定电压是指允许持久地施加在避雷器端子间的工频电压有效值。
少油断路器,在合闸状态下的绝缘电阻反映了绝缘拉杆和绝缘子等部位的对地绝缘。
正弦交流电流的平均值等于其有效值除以()。
A:1.11
B:1.414
C:1.732
D:0.9009
大修时,变压器铁芯的检测项目有哪些?
有一直流电源E,一只电流表PA,一只电压表PV,一个可调电阻R,一把刀开关Q,一台电容器C,用上述设备测量输电线路的直流电阻,画出测量接线图。
测量变压器的套管tgδ时,严格要求表面状况()。
A:相对湿度≤80%
B:表面清洁
C:套管的接地与测量仪的接地要连在一起
D:被测套管ABC0短路加压
以下几种半导体二极管中,耐流能力最高的是()。
A:齐纳二极管
B:瞬态二极管
C:开关二圾管
D:稳压二极管
在R、L、C串联电路中,当发生串联谐振时,电路呈现出纯电阻性质,也变是说电路中的感抗和容抗都等于零。
绝缘配合的核心问题是()。
在外电场的作用下,电介质的极化是由电子位移形成的称为()。
A:分子式极化
B:离子式极化
C:电子式极化
在阻、容、感串联电路中,只有()是消耗电能,而电感和电容只是进行()。
试验室测量冲击高电压的方法有()。
A:球隙法
B:分压器-峰值电压表法
C:分压器-示波器法
D:光电测量法
真空断路器预防性试验项目有()。
A:绝缘电阻测试
B:机械特殊测试
C:接触电阻测试
D:交流耐压测试
见证结束时,见证人员应召集厂家相关技术人员召开末次会议,对本次设备出厂试验情况进行()。
现场进行局部放电试验时,根据环境干扰水平选择相应仪器。当干扰较强时,一般选用宽频带测量测量仪器。
用小容量的兆欧表测量大容量设备的吸收比和绝缘电阻,其准确度较低。
首页
<上一页
115
116
117
118
119
下一页>
尾页