自考题库
首页
所有科目
自考历年真题
考试分类
关于本站
游客
账号设置
退出登录
注册
登录
出自:变电检修工
通过电流1.5kA以上的穿墙套管,当装于钢板上时,为什么要在钢板沿套管径向水平延长线上,切一条3mm左右横缝?
高压断路器有三种机构:操作机构、传动机构、连接机构
在人们经常出现活动的地方,离地面1米处的场强要控制在()kV/m以内。
A:3~5
B:6~7
C:7~8
D:9~10
断路器大修后,需要做哪些试验?
大容量电容器组各分组一般装有感抗值为()Xc(Xc为电容器组每相容抗,下同)的串联电抗器,它能有效地抑制5次及5次以上的高次谐波,但对3次谐波有放大作用,3次谐波的谐振点也往往落在电容器的调节范围内,因而很有可能在一定的参数匹配条件下发生3次谐波谐振。
A:5%~6%
B:7%~8%
C:9%~10%
D:3%~4%
说出CY5、CY5-Ⅱ型液压操作机构原理图中各元件的名称(只需标出15个元件)。
隔离开关使用的紧固件,除地脚螺栓外应采用镀锌制品;户外用的紧固件应采用热镀锌制品。
已知铜导线长L,截面积为S,铜的电阻率为ρ,则这段导线的电阻是R=ρL/S。
变压器停电时先停负荷侧,再停电源侧,送电时相()。
变压器器身所吸收的潮气,主要来自两个方面:一是从大气中直接吸收;另一方面是从绝缘油中吸收。
()情况下,必须测试真空断路器的分、合闸速度。
A:更换真空灭弧室或行程重新调整后
B:更换或者改变了触头弹簧、分闸弹簧、合闸弹簧(指弹簧机构)等以后
C:传动机构等主要部件经解体重新组装后
D:更换轴销
画出电阻、电感并联单相交流电路图及电压电流相量图。
当开关机械特性测试仪测试真空开关时,根据不同型号的真空开关,可修改“真空开关刚合速度”及“真空开关刚分速度”两项设置,一般以()用得较多。
A:3mm
B:4mm
C:5mm
D:6mm或5mm
SF
6
气体断路器抽真空的正确方法是:()
A:开真空泵→开断路器阀门→达真空度后→关断路器阀门→停真空泵
B:开断路器阀门→开真空泵→达真空度后→停真空泵→关断路器阀门
C:开断路器阀门→开真空泵→达真空度后→关断路器阀门→停真空泵
汤逊理论是分析()的火花放电过程的理论。
A:高气压的均匀电场气隙
B:短距离的均匀电场气隙
C:高气压的不均匀电场气隙
D:高气压、短距离的均匀电场气隙
系统发生短路时,系统网络的总阻抗会出现()。
现场安装断路器,常用的起吊工具有()。
A:千斤(钢丝绳)
B:行车
C:移动式吊车
D:卷扬机
什么是逆调压方式?为保证用户受电端电压质量和降低线损,宜实行逆调压方式是指哪一级电压及以下电网?
高压断路器的额定开断电流是指在规定条件下开断()。
A:最大短路电流最大值;
B:最大冲击短路电流;
C:最大短路电流有效值;
D:最大负荷电流的2倍。
SF6气体绝缘组合电器(GIS)的小修项目有哪些?
高压室的钥匙其中一把由许可单独巡视高压设备的人员保管。
CJ-75型交流接触器线圈,在20℃时,直流电阻值R1为105Ω,通电后温度升高,此时测量线圈的直流电阻R2为113.3Ω,若20℃时,线圈的电阻温度系数为0.00395,求线圈的温升Δt是多少?
选择仪表量程的原则是:被测量值不低于仪表选用量程的2/3,而又不超过仪表的最大量程。
单相变压器连接成三相变压器组时,其接线组应取决于一、二次侧绕组的绕向和首尾的标记。
验电的重要目的之一是将要在该处悬挂临时接地线。
投运前需要核相的有()。
A:新投入运行线路或者更改后的线路
B:新投入运行或者大修后的变压器
C:新投入运行电流互感器
D:站用变压器并列后
回路电阻测试仪测试时,打印机不打印
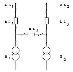
如图所示的主接线是()接线图。
A:外桥
B:内桥
C:单母线分段
D:双母线分段
新增石灰石磨粉变压器容量是()。
对用于10kV设备上对地绝缘的35kV绝缘子进行交流耐压试验时,应按照()的额定电压标准施加试验电压
A:10kV设备
B:35kV设备
C:10kV设备或35kV设备
D:高于10kV,低于35kV设备
首页
<上一页
115
116
117
118
119
下一页>
尾页