自考题库
首页
所有科目
自考历年真题
考试分类
关于本站
游客
账号设置
退出登录
注册
登录
出自:电气试验工
电力设备“带电测量”和“在线监测”技术,它能灵敏地发现介于缓慢发展的潜伏故障和急剧发展的突发性故障间的绝缘缺陷。
表示电气设备主回路的组成部分及其连接方式的是()图。
A:电路
B:接线
C:系统
D:展开
交流电流通过圆环形螺线管线圈时,最大电流密度出现在线圈导体的(),这种现象叫作()效应。
在稳态情况下,电力系统()和()的关系即为电力系统的静态频率特性。
试说明变压器油纸绝缘结构中局部放电危害?
温度对介质损耗有什么影响?
为什么三相交流异步电动机不能在最大转矩处或接近最大转矩处运行?
简述局部放电的熄灭电压的确定方法?
工频交流耐压试验是考验被试品绝缘承受各种()能力的有效方法。
A:过电流
B:过电压
C:过载
D:过热
用游标卡尺测量工件尺寸时,测量数值是()。
A:尺身数值;
B:游标数值;
C:计算数值;
D:尺身数值+游标数值。
组架式高压并联电容器、串联电容器和交流滤波电容器极对壳绝缘电阻可以整组进行。()
当听到变压器比正常“嗡嗡”声更沉重的“嗡嗡”有时,可能是由于系统()发出的。
A:频率波动
B:短路
C:开路
D:局部放电
当测到DW8—35断路器合闸对地的介损tgδ若超过规程规定,则可认为该相两支电容套管的tgδ值也超过规程值。
泄漏电流及直流耐压试验的优点。
发电机定子绕组绝缘受到的机械应力特别高,其主要因素有哪些?
厂、站由于设备相对集中,所以一般采用()就可以有效地防护直击雷过电压。
A:避雷针
B:避雷线
C:避雷器
D:接地装置
SF
6
电气设备故障分解物是()。
A:SOF
2
B:SO
2
C:He
D:Al
3
耦合电容器和电容式电压互感器,在1.1Um/√3下保持1min,局部放电量一般不大于10pC按南网“预试”规程要求。
电动机在运行过程中,若电源缺相则电动机的转速()。
A:加快
B:变慢
C:为零
D:不变
测量电动机励磁回路的整流电流时,应选用()式仪表。
A:磁电;
B:整流;
C:电动;
D:电磁。
电容器的电流i=C•du/dt,当u>0,du/dt>0时,则表明电容器正在()。
A:放电;
B:充电;
C:反方向充电;
D:反方向放电。
各省公司可根据电力设备预防性试验规程,结合各自的实际情况,对试验周期、试验项目等作出必要的补充规定。()
与非破坏性试验相比,绝缘的高电压试验具有直观、可信度高、要求严格等特点,但因它具有破坏性的性质,所以一般都放在非破坏性试验项目合格通过之后进行。
电动机运行时三相绕组电流值应基本平衡,如果绕组电流不平衡程度超过 ()则应停机检查。
A:5%
B:10%
C:15%
D:1%
吸收比指的是电流衰减过程中的两个瞬间测得的两个电流值或两个相应的绝缘电阻值之比。
如需要对导线的接头进行连接质量检查,可采用()试验方法。
A:绝缘电阻
B:直流电阻
C:交流耐压
D:直流耐压
直流电压作用下的介质损耗是()引起的损耗。
A:电子极化
B:离子极化
C:夹层式极化
D:电导
局部放电常用的定位方法有()。
A:行波法
B:超声波法
C:声电综合法
D:波形识别法
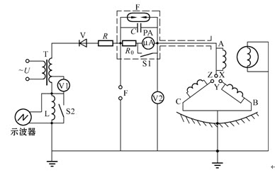
绘图题:图E-63为发电机定子绕组的直流耐压试验接线图,请写出虚线内F、C、PA、S1的名称。
电动机左手定则用来判断()。
A:导体感应电动势的方向;
B:导体电流的方向;
C:导体所在磁场的磁力线方向;
D:导体所受作用力的方向。
首页
<上一页
113
114
115
116
117
下一页>
尾页