自考题库
首页
所有科目
自考历年真题
考试分类
关于本站
游客
账号设置
退出登录
注册
登录
出自:电气工程公共基础
变压器经长途运输,为什么要进行吊心检查?
正弦电流通过电容元件时,下列关系哪项是正确的?()
A:
B:
C:
D:
双折射率
红灯停,绿灯行反映的是信息的()。
A:传递性
B:时效性
C:真伪性
D:价值相对性
兆欧表是测量绝缘电阻和()的专用仪表。
A:吸收比
B:变比
C:电流比
D:电压比
取样—保持器按一定取样周期把时域上连续变化的信号变为时域上()信号。
A:连续变化的
B:模拟
C:离散的
D:数字
关于盐桥叙述错误的是()。
A:电子通过盐桥流动
B:盐桥中的电解质可以中和两个半电池中过剩的电荷
C:可维持氧化还原反应的进行
D:盐桥中的电解质不参加电池反应
图示一半径为R的圆柱形容器,内盛有密度为
的液体,若容器以等角速度
绕OZ轴旋转,则A点的压强为()。
A:
B:
C:
D:以上都不是。
有关项目过程的说法哪些正确()。
A:项目经理和项目团队任何时候都应具体的项目选择合适的过程进行应用
B:过程就是一组为了完成一系列事先指定的产品、成果或服务需执行的互相联系的行动或活动
C:项目过程包括两在类:项目管理过程的产品导向过程
D:产品导向过程一般都是由产品生命期规定
在CMOS类门中,对未使用的输入端应()
A:接相应的逻辑电平
B:与有用输入端并接
C:悬空
D:接电源
在空间直角坐标系中,方程x=2表示().
A:x轴上的点(2,0,0)
B:xOy平面上的直线x=2
C:过点(2,0,0)且平行于yOz面的平面
D:过点(2,0,0)的任意平面
图4-11所示一绞盘有三个等长为ι勺柄,三个柄均在水平面内,其间夹角都是120°。如在水平面内,每个柄端分别作用一垂直于柄的力F1、F2、F3,且有F1=F2=F3=F,该力系向O点简化后的主矢及主矩为()。
A:
B:
C:
D:
根据《合同法》的规定,当事人订立合同,采取()方式。
A:要约、承诺
B:要约邀请、要约、承诺
C:要约、承诺、批准或者登记
D:要约、承诺、公证
现代操作系统的四个基本特征是()。
A:并发性,虚拟性,实时性,随机性
B:并发性,虚拟性,实时性,共享性
C:并发性,虚拟性,共享性,随机性
D:实时性,虚拟性,共享性,随机性
如果计算机字长是8位,那么用补码表示最大有符号定点整数的范围是()。
A:-128~+128
B:-127~+128
C:-127~+127
D:-128~+127
根据《合同法》的规定,以下属于可撤销合同的是()。
A:一方以欺诈手段订立合同,损害国家利益
B:一方因误解订立的合同
C:在订立合同时显失公平的合同
D:在履行合同时显失公平的合同
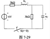
电路如图7-29所示,开关S闭合前,L和C均未储能;S闭合后瞬间,电感两端的电压uL(0+)为()V。
A:3
B:0
C:6
D:-3
袋中共有5个球,其中3个新球,2个旧球,每次取1个,无放回的取2次,则第二次取到新球的概率是()。
A:
B:
C:
D:
关于临界点的说法正确的是()。
A:临界值越大,则对应的不确定性因素越敏感
B:临界值越小,则对应的不确定性因素越敏感
C:临界点百分比越大,则对应的不确定性因素越敏感
D:临界点百分比越小,则对应的不确定性因素越敏感
利用单稳态触发器在触发信号作用下由稳态进入暂稳态,暂稳态维持一定时间后自动返回稳态的特点,可做()等方面的应用。
A:脉冲整形
B:定时
C:延时
D:高、低通滤波
试述变压器吊芯应做哪几个方面的检查?
一平面简谐波在弹性媒质中传播时,某一时刻在传播方向上一质元恰好在负的最大位移处,则它的()。
A:动能为零,势能最大
B:动能为零,势能为零
C:动能最大,势能最大
D:动能最大,势能为零
电子设备一般应具有( )措施。
A:功能接地
B:功率接地
C:保护接地
D:直流接地
在变压器声级测量时,变压器应处于何种工作状态?
300MW机组的锅炉给水泵大多采用小汽轮机带动,主要目的是为了()
A:不产生汽蚀
B:能实现无级调节
C:节约厂用电
D:减少能量损失
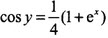
微分方程cosydx+(1+e-x)sinydy=0满足初始条件的特解是()。
A:
B:cosy=1+ex
C:cosy=4(1+ex)
D:cos2y=1+ex
从电路结构上看,时序电路必须含有()。
A:门电路
B:存储电路
C:RC电路
D:泽码电路
下列变化属于化学变化的是()
A:彩纸折成纸鹤
B:白雪缓慢消融
C:葡萄酿成美酒
D:霓虹灯光闪烁
什么叫磁滞、剩孩和矫顽力?
速度ν、长度ι、重力加速度g组成的无量纲数可表达为()。
A:
B:
C:
D:
首页
<上一页
105
106
107
108
109
下一页>
尾页