自考题库
首页
所有科目
自考历年真题
考试分类
关于本站
游客
账号设置
退出登录
注册
登录
出自:电气工程公共基础
关于信号与信息,下面几种说法中正确的是()。
A:电路处理并传输电信号
B:信号和信息是同一概念的两种表达形式
C:用"1"和"0"组成的信息代码"1001"只能表示数量"5"
D:信息是看得到的,信号是看不到的
出窗
物空间中每一个平面对应于像空间中唯一平面,这两个面称为()
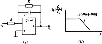
图a所示电路的滤波特性如图b,由此可知,该电路具有()。
A:高通滤波特性
B:低通滤波特性
C:带通滤波特性
D:带阻滤波特性
一卡诺热机,低温热源温度为27℃,当热机效率为25%时,其高温热源温度为T1;若保持低温热源温度不变,而将效率提高到35%,高温热源温度应增加ΔT。以下各组结果正确的是()。
A:T1=400K,ΔT=62K
B:T1=36℃,ΔT=6℃
C:T1=225K,ΔT=30K
D:T1=100℃,ΔT=64℃
在如图所示电路中,理想电流源中的电流及其功率状态分别为()。
A:4A,供出功率
B:4A,吸收功率
C:-4A,吸收功率
D:-4A,供出功率
如现在投资10万元,预计年利率为10%,分5年等额回收,每年可回收()万元。已知:(A/P,10%,5)=0.26380。
A:2.638
B:2.138
C:2.100
D:2.771
逻辑变量X、Y的波形如图所示,F=X+Y的波形是()。
A:
B:
C:
D:
非恒定流,以下对于流线和迹线的正确说法是()。
A:流线和迹线正交
B:流线和迹线重合
C:流线曲线上任意一点的速度矢量与曲线相切
D:流线越密速度越小
艾里斑
一个电池的电动势为E、内阻为r,外接负载为两个并联电阻,阻值各为R,当负载上消耗的功率最大时,R=()。
A:0;
B:r/2;
C:r;
D:2r。
函数
在x处的导数
是()。
A:
B:
C:
D:
在图4-53所示四连杆机构中,杆CA的角速度ω1与杆DB的角速度ω2的关系为()。
A:ω2=O
B:ω2<ω1
C:ω1<ω2
D:ω2=ω1
下列各组元素中,其性质的相似是由于镧系收缩引起的是()。
A:Zr与Hf
B:Fe与Co、Ni
C:Li与Mg
D:锕系
如图7-46所示的控制电路中,交流接触器KM1、KM2分别控制电动机M1、M2(主电路未画出),当按下SB2后,电路的工作情况为()。
A:KM1、KM2和KT线圈同时通电,M1和M2同时起动
B:KM1和KT线圈同时通电,M1起动,KT的延时闭合,动合触点经过一定时间延时后,接通KM2线圈,使M2起动
C:KM1线圈通电,M1起动,经过一定时间,KT和KM2线圈同时通电,M2起动
D:KM1和KM2线圈同时通电,M2起动,经过一定时间,KT线圈通电,M1起动
图6-26中,水箱侧壁开一圆形薄壁孔口,直径d=5cm,水面恒定,孔口中心到水面的高度H=4.0m,已知孔口的流速系数φ=0.98收缩系数ε=0.62,孔口出流的流量Q为()L/s。
A:10.6
B:17.4
C:10.8
D:17
下列关于IDE说法错误的是()。
A:并行发送
B:最多连接2个设备
C:速度:3366100133NM/s
D:兼容性差
基元全息图
下面对或门的功能描述正确的是()。
A:有1出1,全0出0
B:有0出0,全1出1
C:有1出0、全0出1
D:有0出1,全1出0
熔断器是当负载电流超过_________则达到一定_________时熔体熔断而切断线路。
某项目经理正在管理一个大型软件集成项目。项目的进度已经确定,而客户现场的管理层反馈说,项目的周期太长了。不断变化的市场迫使项目不得不提前一个月完成。管理层已经和客户评审了项目的所有范围,但是没有任何一个是可以剔除的。他要求项目经理将每个活动的历时减少10%,以达成目标。在这种情况下,项目经理应该?()
A:启动变更流程,评估相应风险。
B:和团队一起评估如何将所有活动历时减少10%。
C:将更多的关键路径上的活动并行。
D:与管理层评审最初的项目管理计划,并讨论相应的范围变更
目镜设计有什么特点?
在GB1094.3-2003标准中,LI的正确含义为()。
A:具有最高Um值的绕组线路端子上的雷电冲击耐受电压。
B:具有最高Um值的绕组线路端子上的操作冲击耐受电压。
C:每个绕组的线路端子和中性点端子上的雷电冲击耐受电压。
D:每个绕组的线路端子和中性端子上的短时感应耐受电压和外施耐受电压。
利用电压源与电流源等效互换的方法求解图所示电路中的电压US。的正确过程是()。
A:
B:
C.
C:
已知,用广泛pH试纸测定0.1mol/L氨水溶液的pH约是()。
A:13
B:12
C:14
D:11
74LS160是()。
A:同步计数器
B:异步计数器
C:十进制计数器
D:二进制计数器
线偏振光
不经计算,通过直接判定得知图4-29所示桁架中零杆的数目为()。
A:4根
B:5根
C:6根
D:7根
生产性项目总投资分为()。
A:建设投资和流动资产投资
B:固定资产投资和流动资产投资
C:建设投资和建设期利息
D:固定资产投资和建设期利息
全息干板
首页
<上一页
8
9
10
11
12
下一页>
尾页