自考题库
首页
所有科目
自考历年真题
考试分类
关于本站
游客
账号设置
退出登录
注册
登录
出自:川北医学院口腔医学院
两杆的轴力、横截面积、杆长均相同,只是材料不同,则两杆横截面上( )。
·应力不同,应变相同
·应力相同,应变不同
·应力不同,应变也不同
·应力相同,应变也相同
图3所示系统中,AB杆和BC杆变形分别是( )。
·拉伸、弯曲
·弯曲、拉伸
·拉伸、拉伸
·弯曲、压缩
图2中接头连接处销钉剪切面积
为 ( )。
·
·
·
·
单位长度扭转角θ与下列哪项无关( )
·杆的长度
·扭矩
·材料性质
·截面几何性质
如图1所示等截面直杆,F1 = 40KN,F2 = 60KN,F4 = 30KN,则各段横截面上的轴力计算有误的一项是( )
图1
·AC段轴力为40KN(拉力)
·CD段轴力为20KN(拉力)
·CD段轴力为20KN(压力)
·DB段轴力为30KN(拉力)
工程上区分塑性材料和脆性材料的标准是其延伸率
大于等于还是小于( )。
·1%
·3%
·5%
·10%
下列关于基本变形应力分布特点说话错误的是( )。
·轴向拉伸与压缩横截面上的应力均匀分布
·圆轴扭转变形时,横截面上的切应力圆心处最大
·弯曲变形时,横截面上的最大正应力位于上下边缘
·弯曲变形时,横截面上的最大切应力发生在中性轴上
下列不属于力偶三要素的是( )。
·力偶矩大小
·力偶转动方向
·力偶作用面
·力偶臂
关于力偶性质,下列的表述中不正确是( )。
·力矩与力偶矩单位相同
·力偶能与一个力平衡
·力偶在坐标轴的投影的代数和为零
·力偶对任意一点之矩等于其力偶矩
当平面一力( )时,力对点的距为零。
·垂直于过矩心的轴
·平行于过矩心的轴
·通过矩心
·沿其作用线移动到离矩心最近
刚体受三个力作用平衡,而且其中两个力汇交于一点,则第三个力的作用线( )。
·必过汇交点
·必不过汇交点
·可过汇交点也可不过
·不能确定
构件的强度是指构件( )。
·抵抗破坏的能力;
·不产生变形的能力;
·抵抗变形的能力;
·保持平衡的能力。
8.胡克定律应用的条件是( )。
·只适用于塑性材料
·只适用于轴向拉伸
·应力不超过比例极限
·应力不超过屈服极限
线应变 e 的单位是长度。 ( )
·正确
·错误
空间汇交力系平衡的必要和充分条件为:该力系的合力等于零。
·正确
·错误
若质点的动能保持不变,则( )。
·该质点的动量必守恒
·该质点必作直线运动
·该质点必作变速运动
·该质点必作匀速运动
已知主、俯视图,选择正确的作全剖的左视图。 ( )
·a
·b
·c
·d
制图国家标准规定,图纸幅面尺寸应优先选用( )种基本幅面尺寸。
·6
·5
·4
·3
制图国家标准规定,汉字字宽实字高的( )倍。
·2
·3
·2/3
·1/2
标注( )尺寸时,应在尺寸数字前注写符号“ ”。
·圆的半径
·圆的直径
·圆球的直径
·圆柱的直径
在半剖视图中,表达外形的半个视图中,虚线应全部画出。 ( )
·true
·false
退刀槽的尺寸只能按“槽宽×直径”的形式注出。 ( )
·true
·false
局部视图和斜视图的边界线必须用波浪线画出。 ( )
·true
·false
回旋体时由回旋页面和回旋面与平面所围成的曲面立体。
·正确
·错误
当相互配合的两个零件需要相对运动时,可采用过盈配合。 ( )
·true
·false
钻孔深度包括圆柱部分的深度和锥坑的深度。 ( )
·true
·false
四种典型零件的主视图都取其加工时的位置。 ( )
·true
·false
绘制机械图样时,其比例大小可以任意确定。( )
·true
·false
尺寸公差数值可以为正值、负值和零。 ( )
·true
·false
在装配图中,必须将所有零件的结构形状表达清楚。 ( )
·true
·false
若采用1:5比例绘制一个直径为40的圆,其绘图直径为( )。
·160
·8
·10
·200
轴测图是将物体连同其参考直角坐标系,沿不平行于任一坐标面的方向,用平行投影法将其投射在单一投影面上所得到的具有立体感的图形。
·正确
·错误
直径尺寸可以标注在投影为非圆弧的视图上。 ( )
·true
·false
零件图中的功能尺寸应从设计基准出发直接注出,不应由其他尺寸推算得到。 ( )
·true
·false
零件图中的尺寸不允许注成封闭尺寸链。 ( )
·true
·false
如果能设法求出两平面的两个共同点,或是一个共同点和交线的方向,就能求出两平面的交线。
·正确
·错误
在装配图中,同一个零件在各视图上的剖面线方向和间隔必须一致。 ( )
·true
·false
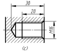
分析下列螺纹的尺寸注法,选择标注正确的图形。 ( )
·
·
·
·
机件的真实大小应以图样上的( )为依据。
·所注尺寸大小
·所标绘图比例
·所加文字说明
·所画图样大小
双头螺柱多用于连接一薄板和一厚板。 ( )
·true
·false
在双头螺柱的连接画法中,其旋入端上的螺纹终止线应高于两零件的分界面。 ()
·true
·false
可见内、外螺纹的规定画法都是牙顶所在的轮廓线画成粗实线,牙底所在的轮廓线画成细实线。 ( )
·true
·false
凡是螺纹的牙型、直径和导程符合标准的,则为标准螺纹。 ( )
·true
·false
螺纹只能起连接作用。 ( )
·true
·false
在同一图样上,滚动轴承可以采用通用画法和特征画法两种表达方式。 ( )
·true
·false
推力球轴承可同时承受径向力和轴向力。 ( )
·true
·false
在装配图中,被弹簧挡住的结构需要画出。 ( )
·true
·false
外花键工作长度的终止端用粗实线绘制。 ( )
·true
·false
普通平健、半圆键和构头契键的工作面都是键的两侧。 ( )
·true
·false
用蜗杆蜗轮传动通常可以获得很大的降速比。 ( )
·true
·false
首页
<上一页
77
78
79
80
81
下一页>
尾页