自考题库
首页
所有科目
自考历年真题
考试分类
关于本站
游客
账号设置
退出登录
注册
登录
出自:佳木斯大学语言治疗学
逆变角太大会造成逆变失败
·正确
·错误
在普通晶闸管组成的全控整流电路中,带电感性负载,没有续流二极管时,导通的晶闸管在电源电压过零时不关断。( )
·正确
·错误
三相半波可控整流电路也必需要采用双窄脉冲触发。( )
·正确
·错误
在桥式半控整流电路中,带大电感负载,不带续流二极管时,输出电压波形中没有负面积。 ( )
·正确
·错误
设置补偿电容可以提高变流装置的功率因数。( )
·正确
·错误
晶闸管串联使用时,必须注意均流问题
·正确
·错误
无源逆变指的是不需要逆变电源的逆变电路。( )
·正确
·错误
在三相半波可控整流电路中,晶闸管承受的最大反压为
倍相电压U2。( )
·正确
·错误
提高电力电子装置的工作频率,可以使电力电子装置的体积和重量减小。 ( )
·正确
·错误
在用两组反并联晶闸管的可逆系统,使直流电动机实现四象限运行时,其中一组逆变器工作在整流状态,另一组工作在逆变状态
·正确
·错误
三相桥式半控整流电路,带大电感性负载,有续流二极管时,当电路出故障时会发生失控现象。( )
·正确
·错误
某NPN型三极管的输出特性曲线如图1所示,当VCE=6V,其电流放大系数β为( )
图1
·
·
·
·<img src="https://s3.cn-north-1.amazonaws.com.cn/qingshuxuetang/examination/imgUplod/15513471044086bd9c60c011b4381b03b9d3f7c1c703aimage2.png" =25
某电路有用信号频率为2kHz,可选用( )
·低通滤波器
·高通滤波器
·带通滤波器
·带阻滤波器
当用外加电压法测试放大器的输出电阻时,要求( )
·独立信号源短路,负载开路
·独立信号源短路,负载短路
·独立信号源开路,负载开路
·独立信号源开路,负载短路
为了稳定放大电路的输出电流,并增大输入电阻,应当引入
·电流串联负反馈
·电流并联负反馈
·电压串联负反馈
·电压并联负反馈
APN结正向偏置时,其内电场被
·削弱
·增强
·不变
·不确定
下列对集成电路运算放大器描述正确的是( )
·是一种低电压增益、高输入电阻和低输出电阻的多级直接耦合放大电路
·是一种高电压增益、低输入电阻和低输出电阻的多级直接耦合放大电路
·是一种高电压增益、高输入电阻和高输出电阻的多级直接耦合放大电路
·是一种高电压增益、高输入电阻和低输出电阻的多级直接耦合放大电路
电路如图9所示,晶体管β=50,UBE=0.6 V,RB=72 k,RC=1.5 k,UCC=9V,当RW=0时,晶体管处于临界饱和状态,正常工作时静态集电极电流 IC Q 应等于3 mA,此时应把RW 调整为( )。
·100 k
·72 k
·68 k
·86 k
多级放大电路与组成它的各个单级放大电路相比,其通频带
·变宽
·变窄
·不变
·与各单级放大电路无关
由开关组成的逻辑电路如图5所示,设开关A、B分别有如图5所示为“0”和“1”两个状态,则电灯
亮的逻辑式为( )。
·F = AB+
·F=
·F= <img src="https://s3.cn-north-1.amazonaws.com.cn/qingshuxuetang/examination/imgUplod/1551347105092878da59dcf9947b6b68784e81ff271d6image15.png" +<img src="https://s3.cn-north-1.amazonaws.com.cn/qingshuxuetang/examination/imgUplod/15513471051580184bdad7c15421ba96b123ea0e589bcimage16.png"
电路如图10所示,欲使后级c 点向前级引入负反馈,则应( )。
·c端和b端连接
·c端和d 端连接
·c端和a 端连接
电路如图8所示,设二极管D1,D2,D3 的正向压降忽略不计,则输出电压uO =( )。
·-2V
·0V
·6V
·12V
画三极管放大电路的小信号等效电路时,直流电压源VCC应当
·短路
·开路
·保留不变
·电流源
与乙类功率放大方式比较,甲乙类OCL互补对称功放的主要优点是
·不用输出变压器
·不用输出端大电容
·效率高
·无交越失真
LC正弦波振荡器电路的振荡频率为( )
·
·
·
·<img src="https://s3.cn-north-1.amazonaws.com.cn/qingshuxuetang/examination/imgUplod/15513471046489b559819e148478e9a08d9baab16d3b6image7.png"
场效应管的工作原理是
·输入电流控制输出电流
·输入电流控制输出电压
·输入电压控制输出电压
·输入电压控制输出电流
在本征半导体中掺入( )构成P型半导体。
·3价元素
·4价元素
·5价元素
·6价元素
通用型集成运放适用于放大( )
·高频信号
·低频信号
·任何频率信号
·中频信号
如图2所示电路为( )
·甲类OCL功率放大电路
·乙类OCL功率放大电路
·甲乙类OCL功率放大电路
·甲乙类OTL功率放大电路
图3为单相桥式整流滤波电路,ui为正弦电压,其有效值为Ui=20V,f=50Hz。若实际测得其输出电压为28.28V,这是由于( )的结果。
·C开路
·C的容量过小
·C的容量过大
·RL开路
电路如图7所示,已知UCC=12V,RC=3k,β=40且忽略UBE,若要使静态时UCE=9V,则RB应取( )。
·600 k
·240 k
·480 k
·360 k
多级放大电路的级数越多,则其( )
·放大倍数越大,而通频带越窄
·放大倍数越大,而通频带越宽
·放大倍数越小,而通频带越宽
·放大倍数越小,而通频带越窄
RC串并联正弦波振荡电路的振荡频率为( )
·
·
·
·<img src="https://s3.cn-north-1.amazonaws.com.cn/qingshuxuetang/examination/imgUplod/1551347104903bbdc5af1e0cb40e78327b3a7bb7f6c20image11.png"
三极管工作于放大状态的条件是
·发射结正偏,集电结反偏
·发射结正偏,集电结正偏
·发射结反偏,集电结正偏
·发射结反偏,集电结反偏
有两个放大倍数相同,输入电阻和输出电阻不同的放大电路A和B,对同一个具有内阻的信号源电压进行放大。在负载开路的条件下,测得A放大器的输出电压小,这说明A的( )
·输入电阻大
·输入电阻小
·输出电阻大
·输出电阻小
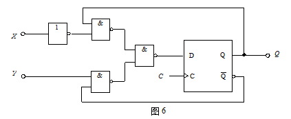
逻辑电路如图6所示,输入为 X,Y ,同它功能相同的是( )。
·可控RS 触发器
·JK 触发器
·基本RS 触发器
·T 触发器
串联负反馈放大电路环内的输入电阻是无反馈时输入电阻的( )
·1+AF倍
·1/(1+AF)倍
·1/F倍
·1/AF倍
下面哪种功能不属于变流的功能( )
·有源逆变
·交流调压
·直流斩波
·变压器降压
由开关组成的逻辑电路如图4所示,设开关接通为“1”,断开为“0”,电灯亮为“1”,电灯暗为“0”,则该电路为 ( )。
·“ 与”门
·“ 或” 门
·“ 非” 门
推孟所创造的智商公式,称为____。
·比率智商
·绝对智商
·智力商数
·离差智商
谈论中心是以测评____素质为中心标准化的一组谈论活动。
·决策
·能力
·操作
·管理
下边哪一个是胸怀离中趋向的常用指标____。
·相关系数
·组距
·次数
·标准差
下列选项中,属于素质模型中“冰山”以上的特征是____。
·价值观
·权力动机
·自信程度
·学历
希波拉克特以为,人体内有四种体液:血液、黏液、黄胆汁、黑胆汁,黑胆汁占优势的人表现为____。
·多血质
·胆汁质
·粘液质
·抑郁质
用来反响测评结果对所测素质真实程度的指标是____。
·再测信度
·信度
·效度
·适合度
所谓效度是指测评结果对所测素质反响的真实程度,实质测评到的内容与我们所想测评内容的一致性,反响的是____。
·项目分数效度
·关系效度
·内容效度
·构造效度
从表征形式看,道德构造包含四种形式,那么“乐于助人”属于____。
·意志型
·态度型
·情绪型
·理智型
测评者常常会因为对被测整体印象的利害而影响他对其每个素质的测评,此类偏差属___。
·宽大心理偏差
·凑近效应偏差
·哈罗效应偏差
·比较效应偏差
早先给应试者制造一个紧张的氛围, 使被试者一进门便处于恐惧氛围中,接着主试人穷追不舍地寻究问底,不仅问得切中要害并且常常把被试者置于进退两难的境地,直至被试者没法回答为止。这属于面试的哪一各种类。
·构造化面试
·半构造化面试
·压力面试
·依序面试
以“1”、“2”、“3”、“4”等表示的刻度形式表示的是数量式标度。
·正确
·错误
首页
<上一页
136
137
138
139
140
下一页>
尾页